Elektronik: 555 SV1 SV2 LED NF HF AA Remote ADU/DAU Digital Messtechnik Alarm Kfz Diverses Tipps BE
Elektronik: HF-Schaltungen
2013 © Peter E. Burkhardt
HF-Schaltungen
3 MB 

Rundfunkempfang

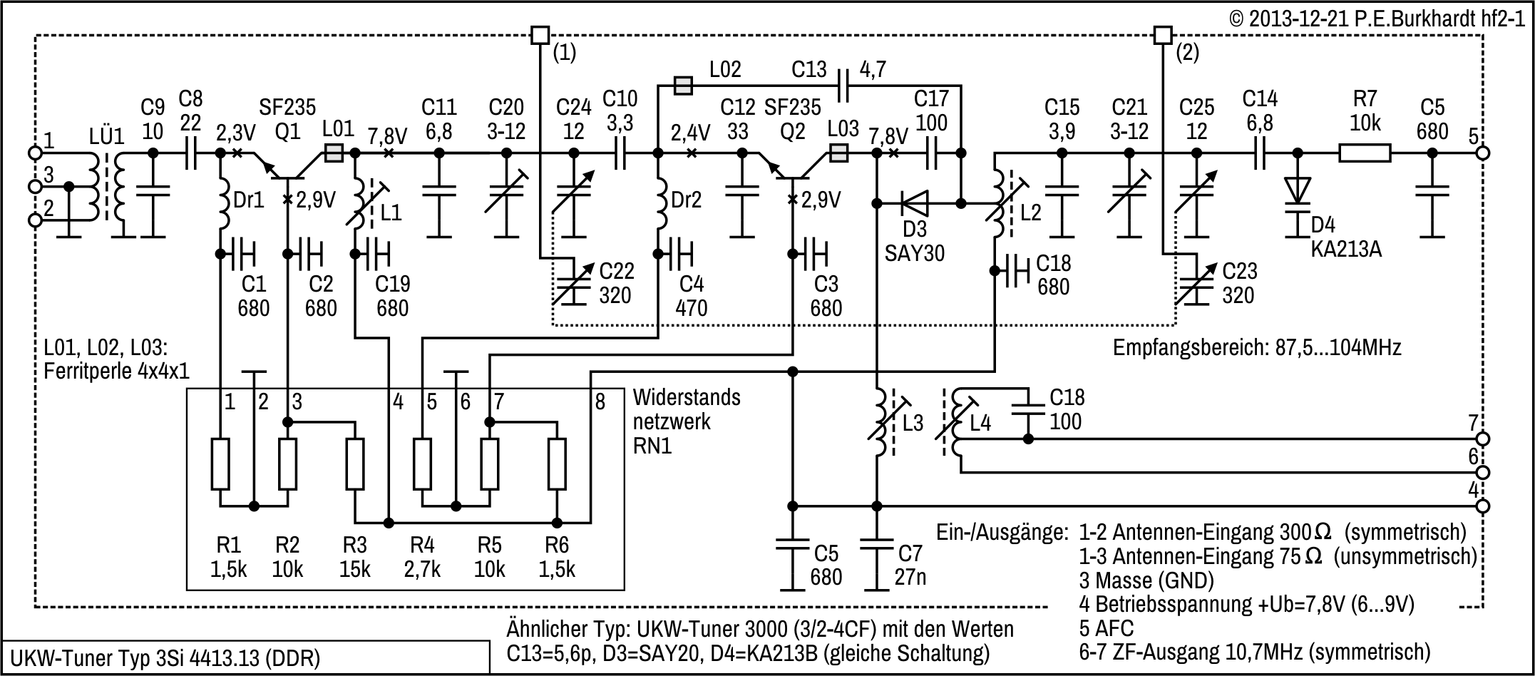
UKW-Tuner Typ 3Si 4413.13 (DDR)

HF-Schaltungen: Rundfunkempfang
2013 © Peter E. Burkhardt

Rundfunkempfang

UKW-Tuner Typ 3Si 4413.13 (DDR)

Der RFT-Tuner Typ 3Si wurde in kostengünstigen Empfängern mit den Wellenbereichen UKW, KW, MW und LW eingesetzt. Die 2-fach-Abstimmung erfolgt mit dem AM/FM-Drehko Typ 3005, der mit dem UKW-Tuner eine Einheit bildet.

Der Tuner ist mit 2 Miniplast-Transistoren SF235 bestückt. Der UKW-Eingangskreis ist breitbandig, der Zwischenkreis wird abgestimmt (C24) und garantiert so die nötige Eingangsselektion. Der Oszillatorkreis der selbstschwingende Mischstufe (Q2) wird mit C25 abgestimmt. Die Mischstufe setzt die Eingangsfrequenz auf die Zwischenfrequenz 10,7 MHz um. Die Auskopplung der ZF erfolgt über ein 2-kreisiges Bandfilter (L3, L4).

Der Oszillator wird mit der Kapazitätsdiode D4 ständig so nachgeregelt, dass sich ein maximales ZF-Signal ergibt. Dazu ist es nötig, über den Anschluss 5 eine Regelspannung vom FM-Demodulator zuzuführen (AFC).

Diode D3 erhöht die Übersteuerungsfestigkeit der Mischstufe. Trotzdem ist bei starken Eingangssignalen ein zweiter pegelreduzierter Antenneneingang vor dem Eingangssymmetrierübertrager LÜ1 nötig.

Für den externen K/M/L-Bereich sind die Drehko-Pakete C22 und C23 zuständig. Jedes Drehko-Paket besitzt einen separaten GND-Anschluss. Der Luft-Mehrfachdrehko ist eine robuste Ausführung mit Feintrieb 1:3 und spielfreien verspannten Zahnrädern. Das Achsenspiel kann ebenfalls nachjustiert werden.

HF-Schaltungen: Rundfunkempfang, UKW-Tuner Typ 3Si 4413.13
2013 © Peter E. Burkhardt

Der Tuner ist bei Lieferung vorabgeglichen. Der Fein-Abgleich des Tuners zusammen mit der endgültigen Empfängerschaltung ist wie üblich nur bei geschlossener Abdeckung durchzuführen.

 

© Peter E. Burkhardt