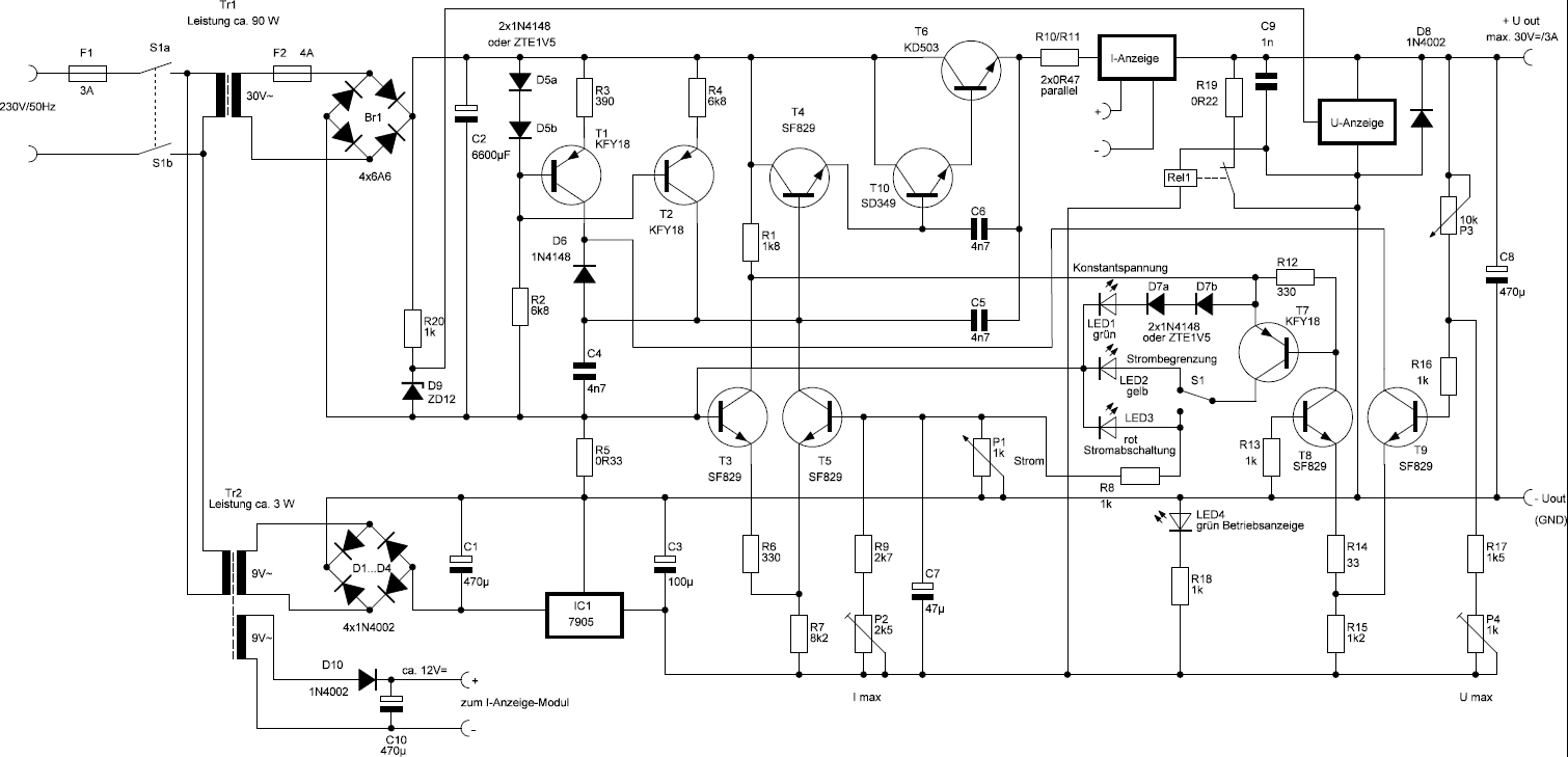
Güç kaynağı ünitesi 30V = / 3A​

0116NetzteilSCH2.jpg

1. Orijinalde, bir Darlington MJ3001,
veri sayfasına göre minimum 1000 akım kazancına sahip olan bir seri regülatördür - bu, elbette,
Alttransistoren'e ulaşmadım, bu yüzden
ikame edilmiş iki transistörün MJ3001'ine sahibim. Darlington, öyle ki kontrol transistörünün akımı açısından aşırı yüklenmemiş T4'tür
ve regülasyon transistörlerin normal çalışma parametre aralığında gerçekleşir
. Kullanılan T6 transistörleri (eski CSSR'den bir KD503,
kabaca 2N3055'e eşdeğerdir) ve T10 = SD349 birlikte
, yaklaşık 2000 ölçülen akım kazancıyla, yani maksimum 3A seri akımıyla bir ikame oluşturur .
Makul bir aralıkta olan kontrol için 3A/2000 = 1.5mA akım yeterlidir
. Burada kullanılan SF829 kontrol transistörleri (önceki GDR'den) daha
az zorludur (bkz. devre şeması T3, T4, T5, T8, T9) ve bu nedenle işlerini şikayet etmeden yaparlar.

2. Akım ve voltajın okunması kolay ekranı için, aksi takdirde arızalı
şarj cihazlarından çıkarılmış , ancak
ayrı bir güç kaynağı gerektiren 7 segment ekranlı prefabrik modüller kullanıldı . U-modülü
, toprakla ilgili bu kaynağa ihtiyaç duyar , ancak I-modülü galvanik olarak yalıtılmıştır. Bu nedenle,
R20 ve Zener diyot D9 kullanılarak U modülü için 12 V üretilirken, I modülü için 12 V üretildi
T2 transformatörünün ayrı bir sargısı, tek yönlü düzeltme ve eleme ile oluşturulmuştur
. Modüller 4,5 V'tan maksimum 30 V'a kadar çalışır ve
çalışma voltajı dalgalanmaları açısından kritik değildir , bu nedenle çaba sınırlar içinde tutulmuştur
.

3. Üniteyi kapatırken, hassas düzenleme için sıfır üretimi
, C2'deki yaklaşık 50V'luk ana voltajla karşılaştırıldığında 5V'luk gerekli yardımcı voltajı nispeten hızlı bir şekilde keser
, bununla birlikte kontrol devresi "adım dışı" gelir ve çıkış voltajı
kısa devre yapar. bağlı tüketiciler
için elektronik ölümlerine bile yol açabilecek ölümcül sonuçlara yol açabilir. Yani hala bir rölem var
-5V'luk yardımcı voltaj nedeniyle yükselen ve çıkışı serbest bırakan
(NC kontağı) yerleşik . Kapatıldıktan hemen sonra, -5V bozulur, röle düşer
ve
kalan şarjı yok eden ve
bağlı devreyi zamanında koruyan nispeten düşük dirençli koruyucu ve deşarj direnci R19 aracılığıyla çıkış kontaklarını kısa devre yapar.

4. Orijinal devre ile karşılaştırıldığında, C8 470µF'ye genişletildi, böylece çıkış voltajının
artık dalgalanmasındaki önemli gelişmeler osiloskop kullanılarak
gösterilebildi (Uss yaklaşık 2 mV !!).
Şarj kapasitörü C2'nin 6600µF'ye genişletilmesi de olumlu bir etki yaptı .
0116Netzteil3.jpg
 
Voltaj ref. İçin kullanilan potu çokturlu pot ile degistrdim..sizin paylaştığımız gibi dirençleri değiştirdim. Tıp 3055i de 2 adet 2sc5200 la degistrdim...mükemmel sonuç aldım...
 
resimlerini paylaştığım güç kaynağı gayet güzel çalışmaktadır. C1 kondansatörün paralelinden aldığım voltajı regüle ederek ayrı bir kartta 24v aldım..bu gerilimi dijital göstergeyi ve fanı beslemek için kullandım..güç transıstörlerinde ısınma olmadıgından cok cıkışlı bir trafo kullanmadım.kartta akım değeri ve ısınmalar icin revizeler yapıldı.kutulama icin elimde bulunan plakaları birlestirdim ustu açık ama kullanıma engel değil.
iyiki böyle bir forum var...IMG_20211120_224030.webpIMG_20211120_224040.webp
 
Geri
Yukarı