0-30 VDC - 0-3A Akım kontrollü Stabilize Güç kaynağı Devreleri

İyi günler abiler, arkadaşlar. Üniversite ödevim için güç kaynağı yapmak istiyorum. Daha çok yeniyim. 30V 5A ayarlanabilir(tavsiye ettiğiniz bir değer de olabilir) ve Voltaj-akım göstergesi olan bir güç kaynağı yapmak istiyorum. Daha önce hiç devre çizimi yapmadığım için karışık geldi kendim çizimini yapamam kısacası. Sitedeki paylaşmış olduğunuz dosyaları indirdim birkaçını fakat Sprint Layout 6.0 programını indirdim dosyaları açamadım. Daha doğrusu bakır plaket üzerine basımı yapılacak olan dosyayı bulamadım. Az çok lehim yapmasını biliyorum en iyi performans alabileceğim ve malzemelerini bulmakta zorluk yaşamayacağım devre hangisidir yardımcı olur musunuz?
 
material_eng.JPG

shema_big_1.jpg
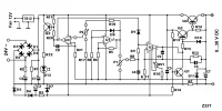
Transistör Q4'teki dağılma gücü hakkında bazı hesaplamalar şunlardır:

Örnek 1.

Çıkış voltajı 30 Volt DC'ye ayarlanın ve bağlı yük 3 A tüketsin (akım sınırlayıcısı, 3 A'dan büyük veya eşit akım sunabilecek şekilde ayarlanır). Transistör Q4 aşağıdaki gücü dağıtmalıdır:

(Uin - Uout) x Iout = (33-30) x 3 = 3 x 3 = 9W

Giriş voltajı Uin, transformatörden gelen AC gerilimine yaklaşık olarak eşit olan köprü doğrultucudan sonra DC giriş voltajıdır, böylece 24V x 1.41 = 33V. Bu, transformatörün AC voltajının, köprü doğrultucudan sonra, C1 kondansatörün her iki ucunda 24 volttan 33 Volt DC olduğu anlamına gelir.

Bu örnekte, transistör Q4 yaklaşık 9W'ı dağıtacak (ısıya dönüştürecek).

Örnek 2.

Çıkış voltajı 1 Volt DC'ye ayarlanın ve bağlı yük 3 A tüketsin (akım sınırlayıcısı, 3 A'dan büyük veya eşit akım sunabilecek şekilde ayarlanır). Transistör Q4 aşağıdaki gücü dağıtmalıdır:

(Uin - Uout) x Iout = (33-1) x 3 = 32 x 3 = 96W

Giriş voltajı Uin, transformatörden gelen AC gerilimine yaklaşık olarak eşit olan köprü doğrultucudan sonra DC giriş voltajıdır, böylece 24V x 1.41 = 33V. Bu, transformatörün AC voltajının, köprü doğrultucudan sonra, C1 kondansatörün her iki ucunda 24 volttan 33 Volt DC olduğu anlamına gelir.

Yani bu örnekte, transistör Q4 yaklaşık 96W'ı dağıtacak (ısıya dönüştürecektir! (UYARI! çok fazla ısı, bu yüzden büyük ısı emici kullanılmalıdır yoksa transistör Q4 çok kısa sürede yok edilecektir!)

Örnek 3.

Çıkış voltajı 13,8 Volt DC'ye ayarlanın ve bağlı yük 2 A tüketsin (akım sınırlayıcısı, 2 A'dan büyük veya eşit akım sunabilecek şekilde ayarlanır). Transistör Q4 aşağıdaki gücü dağıtmalıdır:

(Uin - Uout) x Iout = (33-13.8) x 2 = 19.2 x 2 = 38.4W

Giriş voltajı Uin, transformatörden gelen AC gerilimine yaklaşık olarak eşit olan köprü doğrultucudan sonra DC giriş voltajıdır, böylece 24V x 1.41 = 33V. Bu, transformatörün AC voltajının, köprü doğrultucudan sonra, C1 kondansatörün her iki ucunda 24 volttan 33 Volt DC olduğu anlamına gelir.

Bu örnekte, transistör Q4 yaklaşık 38.4W'ı dağıtır (ısıya dönüştürür).

Bu devrenin daha yüksek çıkış akımı (5 veya 6 A'ya kadar) sunmasını istiyorsanız, aşağıdaki değişiklikler yapılabilir:

1. 24V AC ve 6A AC akımı sağlayabilen uygun bir transformatör kullanılmalıdır.

2. Q4'e paralel olarak başka bir benzer çıkış transistörü Q5 eklemeniz gerekir, böylece her iki transistörün tabanları birleştirilmeli, iki transistörün toplayıcıları birleştirilmeli ve her transistörün yayıcılarından pozitif teminal çıkışına, iki paralel bağlantılı çıkış transistörü Q4 ve Q5'in güç yükünü dengelemek için bir direnç 0.22 ohm / 3W eklenmelidir. Bu transistörler daha büyük alüminyum ısı emici üzerine monte edilmelidir.

3. Köprü doğrultucudan gelen diyotlar (1N5408) daha yüksek akımlı olanlar ile değiştirilmeli veya 4 diyot kullanmak yerine, yeterli bir yüksek akımlı köprü doğrultucu kabini kullanılmalıdır.

4. Direnç R7 (0,47 ohm - 5W) 0,33 ohms - 12W direnç ile değiştirilmelidir.

5. Daha sonra potansiyometre P2 ile daha düşük bir değerle doğru bir şekilde sınırlandırılabilen maksimum çıkış akımını belirleyen R18 (56k) direnç, 33k dirençle değiştirilmelidir.

6. Daha yüksek çıkış akımı için, kondansatör C1'e paralel olarak daha büyük kapasiteli başka bir elektrolitik kapasitör koymak gerekir (örneğin 4700μF / 50 V). Her bir amper çıkış akımı için C1 kapasitör için en az 1000μF kapasite tahmin etmek gerektiği kuralını uygulamanız en iyisidir.
 
Son düzenleme:
material_eng.JPG

Eki Görüntüle 31951
Transistör Q4'teki dağılma gücü hakkında bazı hesaplamalar şunlardır:

Örnek 1.

Çıkış voltajı 30 Volt DC'ye ayarlanın ve bağlı yük 3 A tüketsin (akım sınırlayıcısı, 3 A'dan büyük veya eşit akım sunabilecek şekilde ayarlanır). Transistör Q4 aşağıdaki gücü dağıtmalıdır:

(Uin - Uout) x Iout = (33-30) x 3 = 3 x 3 = 9W

Giriş voltajı Uin, transformatörden gelen AC gerilimine yaklaşık olarak eşit olan köprü doğrultucudan sonra DC giriş voltajıdır, böylece 24V x 1.41 = 33V. Bu, transformatörün AC voltajının, köprü doğrultucudan sonra, C1 kondansatörün her iki ucunda 24 volttan 33 Volt DC olduğu anlamına gelir.

Bu örnekte, transistör Q4 yaklaşık 9W'ı dağıtacak (ısıya dönüştürecek).



Örnek 2.

Çıkış voltajı 1 Volt DC'ye ayarlanın ve bağlı yük 3 A tüketsin (akım sınırlayıcısı, 3 A'dan büyük veya eşit akım sunabilecek şekilde ayarlanır). Transistör Q4 aşağıdaki gücü dağıtmalıdır:

(Uin - Uout) x Iout = (33-1) x 3 = 32 x 3 = 96W

Giriş voltajı Uin, transformatörden gelen AC gerilimine yaklaşık olarak eşit olan köprü doğrultucudan sonra DC giriş voltajıdır, böylece 24V x 1.41 = 33V. Bu, transformatörün AC voltajının, köprü doğrultucudan sonra, C1 kondansatörün her iki ucunda 24 volttan 33 Volt DC olduğu anlamına gelir.

Yani bu örnekte, transistör Q4 yaklaşık 96W'ı dağıtacak (ısıya dönüştürecektir! (UYARI! çok fazla ısı, bu yüzden büyük ısı emici kullanılmalıdır yoksa transistör Q4 çok kısa sürede yok edilecektir!)



Örnek 3.

Çıkış voltajı 13,8 Volt DC'ye ayarlanın ve bağlı yük 2 A tüketsin (akım sınırlayıcısı, 2 A'dan büyük veya eşit akım sunabilecek şekilde ayarlanır). Transistör Q4 aşağıdaki gücü dağıtmalıdır:

(Uin - Uout) x Iout = (33-13.8) x 2 = 19.2 x 2 = 38.4W

Giriş voltajı Uin, transformatörden gelen AC gerilimine yaklaşık olarak eşit olan köprü doğrultucudan sonra DC giriş voltajıdır, böylece 24V x 1.41 = 33V. Bu, transformatörün AC voltajının, köprü doğrultucudan sonra, C1 kondansatörün her iki ucunda 24 volttan 33 Volt DC olduğu anlamına gelir.

Bu örnekte, transistör Q4 yaklaşık 38.4W'ı dağıtır (ısıya dönüştürür).

Bu devrenin daha yüksek çıkış akımı (5 veya 6 A'ya kadar) sunmasını istiyorsanız, aşağıdaki değişiklikler yapılabilir:

1. 24V AC ve 6A AC akımı sağlayabilen uygun bir transformatör kullanılmalıdır.

2. Q4'e paralel olarak başka bir benzer çıkış transistörü Q5 eklemeniz gerekir, böylece her iki transistörün tabanları birleştirilmeli, iki transistörün toplayıcıları birleştirilmeli ve her transistörün yayıcılarından pozitif teminal çıkışına, iki paralel bağlantılı çıkış transistörü Q4 ve Q5'in güç yükünü dengelemek için bir direnç 0.22 ohm / 3W eklenmelidir. Bu transistörler daha büyük alüminyum ısı emici üzerine monte edilmelidir.

3. Köprü doğrultucudan gelen diyotlar (1N5408) daha yüksek akımlı olanlar ile değiştirilmeli veya 4 diyot kullanmak yerine, yeterli bir yüksek akımlı köprü doğrultucu kabini kullanılmalıdır.

4. Direnç R7 (0,47 ohm - 5W) 0,33 ohms - 12W direnç ile değiştirilmelidir.

5. Daha sonra potansiyometre P2 ile daha düşük bir değerle doğru bir şekilde sınırlandırılabilen maksimum çıkış akımını belirleyen R18 (56k) direnç, 33k dirençle değiştirilmelidir.

6. Daha yüksek çıkış akımı için, kondansatör C1'e paralel olarak daha büyük kapasiteli başka bir elektrolitik kapasitör koymak gerekir (örneğin 4700μF / 50 V). Her bir amper çıkış akımı için C1 kapasitör için en az 1000μF kapasite tahmin etmek gerektiği kuralını uygulamanız en iyisidir.
Size çok teşekkür ediyorum..gerçekten değerli bilgiler bunlar...
 
İyi günler..C1 kon. Deşarjı için konulan R1 direnci (2k2) güç kapatıldığında dewreye girecek şekilde yapsak nasıl olurhep dewrede olmasa...
 
Isıyı yok etmek...çalışırken çektiği akımı kaldırmak.
Isıyı engellemek yada azaltmak için daha yüksek wattlı direnç kullan akım çok fazla çekmez onun için gerek yok. Ben 3W lık bir direnç kullanıyorum bir sorun henüz yaşamadım.
 
Geri
Yukarı