Patlayan malzemeleri değiştirdim fakat çıkışta herhangi bir değer ölçemiyorum. Devrenin (-) eksi çıkışı taş direncin yanında (+) artı çıkışı da attığım fotoğraftaki patlayan kondansatörün yanında değilmi?
 
Söylemeyi unuttum birde potansiyometreleri ileri geri hareket ettirdiğimde dönen kısmını değil gövdesinden oynatınca ortadaki ledin parlaklığı artıyor bıraktığımda parlaklığı azalıyor bacaklarına baktım herhangi bir temassızlık yok.
 

Załączam schemat obwodu. Co się stało, to tylko dodatek. TL081 W obwodzie zasilania. LM7824 FIX, 5V6 ZENER

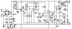
Devre şemasını ekledim. Sorun nedir , sadece ilave var. TL081 Besleme devresinde. LM7824 FİX, 6V8 ZENER
1640758732882.webp
 
Son düzenleme:
Söylemeyi unuttum birde potansiyometreleri ileri geri hareket ettirdiğimde dönen kısmını değil gövdesinden oynatınca ortadaki ledin parlaklığı artıyor bıraktığımda parlaklığı azalıyor bacaklarına baktım herhangi bir temassızlık yok.
Devre olarak daha geniş alan ve inze hatlara sahip değil yapabilirsiniz.
ucuz potans kullandıysanız iç kısmında orta ayak temassızlık yapabilir. Başka bir pot ile değiştirerek deneyebilirsiniz.
 
Geri
Yukarı