Bazen güç kaynaklarını, dönüştürücüleri, şarj cihazlarını vb. test etmek için ayarlanabilir bir elektronik yüke sahip olmak yararlı olur.
Benim pek de işime yaramayan eski bir elektronik yük versiyonum vardı. Bu yüzden daha modern ve ayarlanabilir bir dirençten daha fazla özelliğe sahip yeni bir tane yapmaya karar verdim.
Elektronik yükün şematik diyagramı

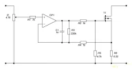
Mevcut transistör IRFP150 (T1) ana yük bileşeni olarak seçildi.
Başlıca parametreleri:
UDS = 100V
R DS (açık) = 0,055 Ohm
Ben D = 41 A
25° C'de P D = 230 W
Benim amaçlarım için oldukça güçlü olsa da en azından güvenilir olacaktır. Transistörün ısısı, bilgisayar işlemcisine ait eski bir radyatör kullanılarak uzaklaştırılıyor.
120W'ta, T1 sıcaklığı 62°C'de test ettim. Sanırım hala biraz manevra kabiliyeti var, 100°C'de 29A I D' ye kadar izin veriyor.
Elektronik yükün çalışması şu şekildedir:
İşlemsel yükselteç OZ1'in (LM358) yarısı, güç direnci R1'den geçen akımın neden olduğu gerilim düşümünü, potansiyometre P1 ve gerilim bölücü R4, R5 dirençleri arasında ayarlanan gerilimle karşılaştıran bir karşılaştırıcı olarak çalışır .
Yükün iki çalışma modu vardır, bunlar bir anahtar (I/R) ile seçilir - sabit akım ve sabit direnç.
Sabit akım modunda, karşılaştırıcı için referans gerilimi, sabitlenmiş besleme geriliminden elde edilir. Giriş geriliminin büyüklüğü ne olursa olsun yük, direncini azaltarak veya artırarak ayarlanan akımı korumaya çalışacaktır.
Sabit direnç modunda referans voltajı, yük üzerindeki voltaj tarafından belirlenir. Yük üzerindeki voltajın artırılması referans voltajını ve dolayısıyla yük akımını da artırır.
İşlemsel yükselteç OZ1'in ikinci yarısı ise R8, P2 ve C4 (20 Hz-220 Hz) tarafından ayarlanan frekansta osilatör olarak çalışır. Yük sürekli veya darbeli çalışma moduna geçirilebilir.
Darbe modunda jeneratör çıkışı bir diyot aracılığıyla ters çeviren giriş OZ1'e bağlanır. Her pozitif yarım darbe, T1 transistörünün kapanmasına ve dolayısıyla yükün kesilmesine neden olur.
Darbe modu örneğin güç kaynağının maksimum akım korumasının davranışını test etmek için uygundur. Bazıları ise tamamen yanlış davranır, kısa devre tetiklendikten sonra voltaj, ayar ne olursa olsun bir süre maksimum değere uçar. Bir osiloskop ve bu fonksiyon kullanılarak bu davranış kolayca doğrulanabilir.
Operasyonel yükselteç OZ2, termal koruma olarak çalışır, normal NTC termistörü R21'i kullanır. Tam tipini bilmiyorum, 25° C'de 1.2 kOhm, 100° C'de ise 100 Ohm direnci var. Koruma tetiklendiğinde önce radyatördeki fan çalıştırılıyor, eğer görevini yerine getiremiyorsa yük bağlantısı kesiliyor. Anahtarlama prensibi darbe modundakiyle aynıdır. Her iki sıcaklık da ayarlanabiliyor, benim için 38°C ve 90°C.
Yük akımını ölçmek için 200mV ölçüm aralığına sahip bir panel voltmetre kullanıyorum. R1 direnci şönt olarak kullanılır. R1 üzerindeki voltaj akıma bağlı olarak 2V'a kadar çıkabildiğinden, R26-R28 dirençlerinden oluşan ayarlanabilir bir voltaj bölücü eklemem gerekiyordu. Değişken direnç R28 vasıtasıyla, görüntülenen veriler seri olarak bağlanan daha hassas bir ampermetre kullanılarak kalibre edilebilir.
Yükten akabilen maksimum sürekli akım 14A'dır; bu esas olarak R1'in izin verilen maksimum güç dağılımı olan 20W'tan kaynaklanmaktadır. Darbe modunda bu maksimum 20 A'dır (darbe frekansı %50).