Dizüstü bilgisayarlar için güç kaynağı şemaları

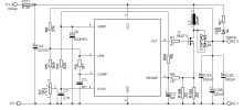
TEA1750'de 19V 4.74A dizüstü bilgisayarlar için NB - 90B19 -AAA 90W güç kaynağının şematik diyagramı
1643469819220.webp
 

Eklentiler

Bağlantı UC3843 devresini kullanır. Osilatör 43 Khz'de salınır. Toroidal çekirdek ve çift çıkışlı diyot, eski bir PC kaynağından alınmıştır. Sargı, aynı anda 0,5 mm sarılmış 8 telden oluşan 17 turdur (diğer tel mevcut değildi, çekirdek rengi sarı) veya 1,5 mm'lik 1 tel kullanılabilir. Bobinin endüktansı 35uH'dir, ancak farklı olabilir. Direnç R7, istenen çıkış voltajını ayarlar (14.5V–19V aralığı). Dönüştürücü verimliliği 10V'da %80 ve 12V'de %84 civarındadır. Tamamı, soğutma deliklerinin açılmasını önerdiğim bir KM35B plastik kutuya yerleştirildi (12V girişte ve 17V / 2.5A yükte güç kaybı neredeyse 8W).
1659506111927.webp
1659506122021.webp
Kullanılan parçaların listesi:

R1 – 47
R2 – 680
R3 – M1
R4-820
R5 – 3K9
R6 – 27K
R7 – 2K2 düzeltici
R8 – 6K8
R9 – 1K
R10 – J11 (2xJ22)

C1 – M1
C2 – 1uF/50V
C3 – M1
C4 – 1G/16V
C5 – 1G/25V (3x330uF)
C6 – 50uF

D1 – C16P04G
T1 – BUZ11
IO1 – UC3843
PO1 – 6.3A
L1 – 35uH 17 dönüş, 8x f 0.5mm, ( f 1.5mm), toroid f 27/ f 14x12mm
 
Geri
Yukarı