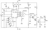
Tüm cihaz, voltaj kontrollü bir osilatör olan entegre ICL8038'de bulunur. Her dalga formu için entegre çıkış seviyesi sabit olduğundan, işlevi önce çıkış voltajını 14Vpp'ye ayarlamak ve sonra bunu dirençli bir ağdan geçirmek olan iki iyi kaliteli işlemsel yükselteçten oluşan başka bir entegre devre dahil edilmiştir. sırasıyla 5V, 0,5V ve 0.05V'lik üç adım sunar (S3 ile seçilebilir). Bu voltajın ince ayarı, sisteme daha fazla hassasiyet kazandırmak için çok turlu olması önerilen P3 potansiyometresi ile yapılır.
Bozulma ayarı, baskılı devre üzerine montaj için ve çok turlu tipte olan ayarlanabilir dirençler RA2 ve RA3 aracılığıyla gerçekleştirilir. P2 potansiyometresi, sinyal simetrisinin ayarlanmasına izin vererek bileşenlerin toleransından kaynaklanan küçük değişiklikleri düzeltmeye izin verir. Testere dişi ve ultra dar darbeler gibi çarpık dalga formları oluşturmak için de kullanılabilir. Çıkış frekansının kontrolü, 1Hz ile 100KHz arasında 10'un katları olarak seçim yapılmasına izin veren S1 seçicisi vasıtasıyla gerçekleştirilir. Potansiyometre P1 söz konusu frekansın ince ayarıdır. Ayrıca çok turlu kullanılması şiddetle tavsiye edilir. 0.01Hz'de salınım imkanı veren 1000µF kapasitöre ulaşmak için daha fazla kondansatör ve daha fazla konuma sahip bir seçici kurulabilir, Bu olağandışı olsa da, uygulayıp uygulamamak sahibine bağlıdır. Potansiyometre P3, ölçek veya aralık seçici olarak S3 ile birlikte çalışan genlik kontrolüdür. Seçici S2, elde edilecek dalga biçimini T üçgen, S sinüzoidal ve C kare olarak seçmenize olanak tanır.
Ekipman kalibrasyonu:
Osiloskop olmadan bile basit ve kolay bir şekilde gerçekleştirmek istiyorsanız bu bir görevdir.
Besleme gerilimi bağlandıktan sonra +/-15V olduğunu kontrol edin. Ardından, dalganın simetrisi ayarlanacaktır. Bir osiloskopunuz varsa, kabloları jeneratörün çıkış fişine bağlamanız gerekir. Dalga formu ölçmek için yeterli genliğe sahip olduğunda, görüntülenen dalga formu simetrik olana kadar P2 kaydırıcısını hafifçe döndürün. Osiloskopunuz yoksa, ayarlanabilir tüm dirençleri orta konumda bırakın. Bozulma ayarı, ayarlanabilir dirençler RA2 ve RA3 aracılığıyla yapılır; bozulma sinüs dalgasında ölçülür. Söz konusu dalga biçiminin elde edilmesi, kesitler halinde doğrusal yaklaşımla gerçekleştirilir, böylece düz çizgiler görünebilir; RA2 ve RA3 merkez konumlarına yakınsa bu çizgilerin beğenilmeme olasılığı vardır. Daha iyi bir tahmin yapmak için, yerel dağıtımın alternatif voltajının sinüs sinyali bir model olarak alınabilir. Bu, osiloskop çift iz olduğu sürece. Ofset voltajı RA1 ile ayarlanır. Sinüs dalgasının rms voltajı bir voltmetre ile kontrol edilebilir. Seçici S3, 5V konumuna yerleştirilmelidir ve sinyal voltajı, dijital voltmetreler için 10KHz'den veya analog voltmetreler için 100Hz'den büyük olmayan bir frekansta ölçülür. Ölçülen voltaj 5V olana kadar RA1'i değiştirin. Bundan sonra, ekipman doğru bir şekilde kalibre edilecek ve çalışmaya hazır olacaktır. Sinüs dalgasının rms voltajı bir voltmetre ile kontrol edilebilir. Seçici S3, 5V konumuna yerleştirilmelidir ve sinyal voltajı, dijital voltmetreler için 10KHz'den veya analog voltmetreler için 100Hz'den büyük olmayan bir frekansta ölçülür. Ölçülen voltaj 5V olana kadar RA1'i değiştirin. Bundan sonra, ekipman doğru bir şekilde kalibre edilecek ve çalışmaya hazır olacaktır. Sinüs dalgasının rms voltajı bir voltmetre ile kontrol edilebilir. Seçici S3, 5V konumuna yerleştirilmelidir ve sinyal voltajı, dijital voltmetreler için 10KHz'den veya analog voltmetreler için 100Hz'den büyük olmayan bir frekansta ölçülür. Ölçülen voltaj 5V olana kadar RA1'i değiştirin. Bundan sonra, ekipman doğru bir şekilde kalibre edilecek ve çalışmaya hazır olacaktır.
