guclusat

Tanınmış Üye
Süper Moderatör
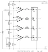
Bu devre, araç akü voltajını 1 Volt'luk adımlarla ölçebilen bir karşılaştırıcıdır (komparatör).
Voltaj göstergesi, amplifikatörlerin (yükselteçlerin) eviren (inverting) girişlerine uygulanan akü voltajının, ısıl kararlılığı yüksek bir D1 Zener diyodu tarafından üretilen referans voltajlarıyla karşılaştırılması sonucunda elde edilir.
RV1 potansiyometresi ile istenilen voltaj kademelendirmesi (gradülasyonu) ayarlanabilir. Görsel gösterge ise dört adet LED aracılığıyla sağlanır.


Temel Bileşenler ve İşlevleri

Bileşenİşlev
Zener Diyot (D1)Devre için kararlı bir referans voltajı oluşturur.
RV1 PotansiyometreVoltaj basamaklarının hassasiyetini ayarlamak için kullanılır.
Op-Amp (Karşılaştırıcı)Giriş voltajını referans değerlerle kıyaslar.
LED'lerÖlçülen voltaj seviyesini görsel olarak kullanıcıya sunar.

Devrenin Çalışma Mantığı

Devre, aküden gelen sinyali bölerek farklı referans noktalarıyla kıyaslar. Örneğin, akü voltajı arttıkça sırasıyla LED'ler yanmaya başlar:
  • 1. LED: Düşük seviye (Örn: 11V)
  • 2. LED: Orta seviye (Örn: 12V)
  • 3. LED: İyi seviye (Örn: 13V)
  • 4. LED: Tam şarj / Şarj oluyor (Örn: 14V)
1731871763817.png


R1=1K2R6=10KD2-3-4-5=LED
R2-3-4=680RR7-8-9-10=1KIC1=LM324
R5=15KD1=5V6 /0.5W ZenerRV1=10K trimmer
 
Son düzenleme:
Geri
Yukarı