
Açıklama
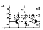
Bu, aracınız için gerçekten kullanışlı bir araçtır. Araç akünüzün şarj durumunu görsel olarak belirtmek için üç LED kullanır. Kırmızı LED yandığında akü voltajı düşüktür, yeşil OK sinyali ve turuncu ise akünün aşırı şarj olduğu uyarısıdır. Tüm devre küçük bir pc kartına yerleştirilmiştir ve gösterge panelinin herhangi bir yerine kolayca takılabilir.
Özellikler
Çalışma voltajı: 12 V DCMaks.
Akım: 40 mA
Nasıl çalışır
Devrenin arkasındaki prensip çok basittir. İlk LED D1, R2 ve D4 ile seri olarak bağlanır ve akü voltajı 11,5 V'un altına düştüğünde yanar. Voltaj 12 V'un üzerindeyse, zener Z3 transistör TR1'i açmak için yeterince önyargılı hale getirir ve bu, yeşil olan ve akü voltajının normal olduğunu gösteren ikinci LED D2'yi yakar. Toplayıcıdan emitöre voltaj düşüşü D4'ün ileri voltaj düşüşünden daha az olduğundan, ilk LED yanması için yeterli voltaj alamaz ve kapanır. Eğer şimdi pil voltajı 13,5 voltun üzerine çıkarsa, benzer şekilde transistör TR2 açılır ve üçüncü LED olası bir sorunu belirtmek için yanar. Zener diyotları daha fazla doğruluk için referans voltajları sağlamak için kullanılır.
Malzeme Listesi ve Özellikleri
| Bileşen | Değer / Model | Açıklama |
| R1, R4 | 10K Ohm | Direnç (Akım sınırlama / Bias) |
| R2 | 470 Ohm | Direnç |
| R3 | 100 Ohm | Direnç |
| R5 | 680 Ohm | Direnç |
| D1 | Kırmızı LED | Genellikle "Düşük Voltaj" uyarısı için kullanılır. |
| D2 | Yeşil LED | Genellikle "Normal/Sağlıklı Voltaj" göstergesidir. |
| D3 | Turuncu LED | Genellikle "Şarj Oluyor/Yüksek Voltaj" göstergesidir. |
| Z1, Z2 | 6,8V Zener (0,5W) | Belirli bir voltaj eşiğini (6.8V) aşınca akım geçiren diyotlar. |
| Z3 | 11V Zener (0,5W) | 11V eşik voltajı için kullanılan zener diyot. |
| TR1, TR2 | BC547 / BC548 | NPN tipi genel amaçlı transistörler (Anahtarlama için). |
Son düzenleme: