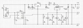
YEŞİL ŞEMADA 1... 4 VE 8 PİNLERİ BİRBİRİNE NASIL BAĞLI OLUR VE ARTI DEVREYE GİRMEDEN NASIL ÇIKAR IRF 620 NİN DREYN BACAĞINA ARTI GELMESİ LAZIM DEĞİLMİ 555 BESLEMESİ BEYAZ ŞEMADA DOĞRU İKEN YEŞİLDE YANLIŞ ÇİZİM OLMUŞ EVET EKSİ İŞLENİYOR LAKİN YİNEDE YANLIŞ DEĞİLMİ BİRDE BASKI DEVRE HAZIRLADIM HERŞEY BİTTİ MONTAJ YAPMIYORUM IRFZ264 NEDİR YAAA Bİ GÖSTERİN BANA VARMI BÖYLE MOSFET IRFP OLMASIN O