guclusat adlı kullanıcının son etkinliği

  • guclusat
    guclusat yeni bir konu açtı.
    FM radyo bandında (88-108 MHz) stabil ve kaliteli yayın yapmak isteyen amatör telsizciler ve elektronik meraklıları için hazırlanmış bu...
    • 1776079196314.webp
  • guclusat
    2 büyük entegre anakart üzerinde mi yoksa gösterge üzerinde mi?
  • guclusat
    Beeprog2 gibi profesyonel bir cihazda doğrulama (verification) hatası alıyorsan, bu genellikle çipin içindeki çok küçük bir bit...
  • guclusat
    guclusat yeni bir konu açtı.
    Merhaba uydudoktoru.com ailesi, Bugün tezgahımızda otomobil ses sistemleri tarihinin köşe taşlarından biri olan, 90'ların "high-end"...
  • guclusat
    guclusat yeni bir konu açtı.
    Teknik Arşiv: Op-Amp Nedir ve Nasıl Çalışır? Operasyonel Amplifikatör (Op-Amp); iki girişi ve bir çıkışı olan, çok yüksek kazançlı bir...
  • guclusat
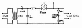
    guclusat yeni bir konu açtı.
    Piyasada bulunan isimsiz veya kodları silinmiş zener diyotların çalışma voltajlarını tespit etmek için bu basit ama etkili devreyi...
    • 1775829086191.webp
  • guclusat
    guclusat yeni bir konu açtı.
    Teknik Arşiv: Genel Amaçlı Ses Amfisi ve Sinyal Takipçisi Bu devre, taşınabilir radyolarda ve kayıt cihazlarında sıkça göreceğiniz...
    • 1775828917838.webp
  • guclusat
    guclusat yeni bir konu açtı.
    Bu devre, 0.5 PPS (saniyedeki darbe) ile 5000 PPS gibi geniş bir frekans aralığında çalışabilen, çok amaçlı bir sinyal üretecidir. 1...
    • 1775828649539.webp
  • guclusat
    guclusat yeni bir konu açtı.
    Hassas Gecikme Zamanlayıcısı (Delay Timer) Bu devre, basit bir RC (Direnç-Kondansatör) zamanlama prensibiyle çalışır ve süre sonunda...
    • 1775828351435.webp
  • guclusat
    guclusat yeni bir konu açtı.
    Twang-Tastic Gitar Efekt Pedalı Klasik gitar sesinden sıkılan ve enstrümanına banjo veya mandolin tınısı katmak isteyenler için...
    • 1775827690865.webp
  • guclusat
    guclusat yeni bir konu açtı.
    Teknik Arşiv: Sabit Akım Kaynaklı Hassas Testere Dişi Üreteci Ses test sinyalleri ve osiloskop tarama (sweep) devreleri için mükemmel...
    • 1775827545294.webp
  • guclusat
    guclusat yeni bir konu açtı.
    Üstün koruma özellikleri Bu eklenti, basitten gelişmişe kadar tüm kopyalama girişimlerini engellemek için geliştirilmiştir: Blok...
    • 1775803261734.webp
  • guclusat
    1750 Hz ton üreteçleri, özellikle amatör telsizcilikte (Radio Amateur) röleleri (repeater) tetiklemek veya belirli anahtarlama...
    • 1775802696928.webp
  • guclusat
    guclusat , Cuma Günümüz Mubarek olsun konusuna yanıt verdi.
    Elektronik devrelerin en hassas ayarları, kalplerimizin en ince titreyişleri ve dualarımızın samimiyeti... Tıpkı uyduların en uzak...
    • 1775769311719.webp
  • guclusat
    guclusat , HD44780 LCD ve Türkce karakterler konusuna yanıt verdi.
    HD44780 tabanlı LCD ekranlar (2x16, 4x20 gibi), standart olarak ASCII karakter setini kullanır. Bu sette ç, ş, ğ, ı, ö, ü gibi Türkçe...
Geri
Yukarı