guclusat Tanınmış Üye Süper Moderatör 13 Ağustos 2021 #17 Voltaj ve Akım Regülatörü devamı ektedir. Eklentiler Klasik Şemaların Orijinalleri.rar Klasik Şemaların Orijinalleri.rar 102,4 KB · Görüntüleme: 11
guclusat Tanınmış Üye Süper Moderatör 13 Ağustos 2021 #18 Yüklü bir hattın temassız AC akım dedektörü
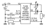
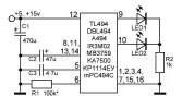
guclusat Tanınmış Üye Süper Moderatör 13 Ağustos 2021 #20 TL494 test etmek için basit ve kullanışlı bir devre. Eklentiler Tester TL494.rar Tester TL494.rar 89,6 KB · Görüntüleme: 13
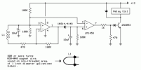
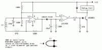
guclusat Tanınmış Üye Süper Moderatör 13 Ağustos 2021 #21 LED göstergeli kuvars test cihazı 1-30 MHz. 1-4 MHz frekanslı kristalleri kontrol ederken S1 açılır.