555 ve CD4017 ile 10 LED'li Sıralı Işık Devresi

guclusat

Tanınmış Üye
Süper Moderatör

555 ve CD4017 ile 10 LED'li Sıralı Işık (Kara Şimşek) Devresi​

Merhaba arkadaşlar,

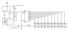
Elektronik hobisine yeni başlayanlar için klasikleşmiş, görseli oldukça keyifli bir projeyi sizlerle paylaşıyorum. Bu devrede NE555 zamanlayıcı entegresi ile kare dalga sinyali üretip, CD4017 sayıcı (Johnson Counter) entegresiyle bu sinyali 10 farklı çıkışa sırayla dağıtıyoruz. Halk arasında "Kara Şimşek" veya "Yürüyen Işık" olarak da bilinen bu devre, temel mantığı anlamak için harika bir örnektir.

Devre Bileşenleri:​

  • Entegreler: 1 adet NE555, 1 adet CD4017
  • Dirençler: 1x 10K, 1x 1K (LED'leri korumak için)
  • Potansiyometre: 1x 10K Trimpot (Hız ayarı için)
  • Kondansatör: 1x 100uF 50V Elektrolitik, 1x 104 (100nF) Seramik
  • Görsel: 10 Adet Kırmızı LED
  • Güç Kaynağı: +12V DC (Devre 5V-15V arası çalışabilir)

Çalışma Prensibi:​

  1. NE555: Devrenin "kalbi" görevini görür. 10K direnç, 10K trimpot ve 100uF kondansatör üzerinden belirlenen hızda bir "clock" sinyali üretir. Trimpotu çevirerek ışıkların hızını ayarlayabilirsiniz.
  2. CD4017: 555'ten gelen her bir sinyal darbesinde bir sonraki çıkışını aktif eder. Q0'dan Q9'a kadar olan çıkışlar sırayla LED'leri yakar ve 10. LED'den sonra sistem otomatik olarak başa döner.

Montaj Notları:​

  • LED'lerin yönüne dikkat edilmelidir; uzun bacak (Anot) entegreden gelen hatta, kısa bacak (Katot) ise şase hattına bağlanmalıdır.
  • Devre şemasındaki renkli kablolar, takibi kolaylaştırmak adına eklenmiştir; montaj sırasında bağlantıları kontrol ederek ilerlemeniz önerilir.
led-seq-w.webp
 

Eklentiler

  • 1664692023524.webp
    1664692023524.webp
    34 KB · Görüntüleme: 166
Son düzenleme:
Geri
Yukarı