Uydudoktoru Teknik Arşiv
ARŞİV ANA SAYFA
Ana Dizin
/
elektronik
/
yeni devreler
/
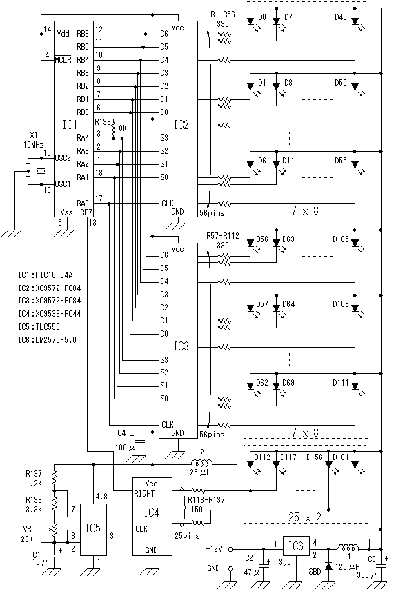
Signboard 2
/
Circuit drawing of signboard 2_dosyalar
Ad
Boyut
Tarih
İşlem
.. Geri Dön
pic6_411.gif
18.93 KB
10.05.2021
İNDİR