Uydudoktoru Teknik Arşiv
ARŞİV ANA SAYFA
Ana Dizin
/
elektronik
/
yeni devreler
/
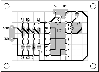
+30V power supply with +5V
/
Pattern drawing of +30V power supply_dosyalar
Ad
Boyut
Tarih
İşlem
.. Geri Dön
ckt27_2.gif
5.47 KB
10.05.2021
İNDİR