Şebeke gerilimleri her türlü gürültü ve paraziti içerir. Şebeke voltajını düşük gürültülü bir güç kaynağı kaynağı olarak kullanmak için önce filtrelenmesi gerekir. Çoğu durumda, ortak mod paraziti, diferansiyel mod parazitinden daha kötüdür, ikincisi genellikle basit bir düşük geçişli RC filtresi veya daha iyisi bir LC filtresi ile filtrelenebilir. Bu ortak mod sinyallerinin bastırılmasını artırmak için tek bir ortak mod bobini yerine iki tane kullanılır.

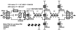
Şekil 1. Düşük Gürültülü Güç Kaynağı için şebeke filtresi (240386-2 v2.1).
Şematik standarttır. Kondansatörler C3... Şebeke geriliminden toprağa bağlanan C6, Y tipindedir. Şebeke gerilimi arasına bağlanan C1 ve C2 kondansatörleri X tipidir. Sigorta, 500 VAC şebeke voltajı kullanıldığında 230 mA ve 1 VAC olması durumunda 115 A olarak derecelendirilmiştir. Değer, Düşük Gürültülü PSU'nun üç şebeke transformatörünün birincil sigorta değerinin üç katına bağlıdır. Metal Oksit Varistör MOV1, büyük voltaj yükselmelerine karşı koruma sağlar. 115VAC için S14K300 (sipariş kodu B72214S0301K101) tip S14K150 (sipariş kodu B72214S0151K101) ile değiştirilmelidir. Direnç R1, K2'ye yük bağlanmaması durumunda, filtrenin şebekeden bağlantısı kesildiğinde kapasitörleri boşaltır. K2, transformatör PCB 1-240386 üzerindeki K3'e bağlanmalıdır.

Malzeme listesi
Direnç
R1 = 220 kΩ, 1 W, 500V, %
5 Kondansatör
C1, C2 = 470 nF, 305 VAC, Sınıf X2, 11x27 mm maks., LS 15/22.5 mm
C3, C4, C5, C6 = 2.2 nF, 300VAC, Sınıf Y2, 13x4 mm, LS 10 mm, PP
İndüktör
L1, L2 = Ortak mod bobini, 6,8 mH, 1,7 A, TDK B82732R2172B030
Yarı İletken
MOV1 = TVS varistörü, 300VAC S14K300
Diğer
K1, K2 = 3 vidalı klemens, LS 7,62 mm
F1 = 0,5 A zaman gecikmesi, 250 V, kartuş sigortası 5 x 20 mm
F1 = 1 A gecikmeli, 250 V, kartuş sigortası 5 x 20 mm
F1 = Sigorta tutucu 5x20 mm, 10 A, 500 VAC
F1 = Sigorta tutucu kapağı, şeffaf
4 x10 mm M3 ayırıcı, çelik, erkek-dişi
4 x M3 vida, 8 mm, çelik, tava başlı
4 x M3 somun

Şekil 1. Düşük Gürültülü Güç Kaynağı için şebeke filtresi (240386-2 v2.1).
Şematik standarttır. Kondansatörler C3... Şebeke geriliminden toprağa bağlanan C6, Y tipindedir. Şebeke gerilimi arasına bağlanan C1 ve C2 kondansatörleri X tipidir. Sigorta, 500 VAC şebeke voltajı kullanıldığında 230 mA ve 1 VAC olması durumunda 115 A olarak derecelendirilmiştir. Değer, Düşük Gürültülü PSU'nun üç şebeke transformatörünün birincil sigorta değerinin üç katına bağlıdır. Metal Oksit Varistör MOV1, büyük voltaj yükselmelerine karşı koruma sağlar. 115VAC için S14K300 (sipariş kodu B72214S0301K101) tip S14K150 (sipariş kodu B72214S0151K101) ile değiştirilmelidir. Direnç R1, K2'ye yük bağlanmaması durumunda, filtrenin şebekeden bağlantısı kesildiğinde kapasitörleri boşaltır. K2, transformatör PCB 1-240386 üzerindeki K3'e bağlanmalıdır.

Malzeme listesi
Direnç
R1 = 220 kΩ, 1 W, 500V, %
5 Kondansatör
C1, C2 = 470 nF, 305 VAC, Sınıf X2, 11x27 mm maks., LS 15/22.5 mm
C3, C4, C5, C6 = 2.2 nF, 300VAC, Sınıf Y2, 13x4 mm, LS 10 mm, PP
İndüktör
L1, L2 = Ortak mod bobini, 6,8 mH, 1,7 A, TDK B82732R2172B030
Yarı İletken
MOV1 = TVS varistörü, 300VAC S14K300
Diğer
K1, K2 = 3 vidalı klemens, LS 7,62 mm
F1 = 0,5 A zaman gecikmesi, 250 V, kartuş sigortası 5 x 20 mm
F1 = 1 A gecikmeli, 250 V, kartuş sigortası 5 x 20 mm
F1 = Sigorta tutucu 5x20 mm, 10 A, 500 VAC
F1 = Sigorta tutucu kapağı, şeffaf
4 x10 mm M3 ayırıcı, çelik, erkek-dişi
4 x M3 vida, 8 mm, çelik, tava başlı
4 x M3 somun