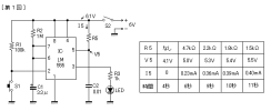
LM555 kullanarak uzun süreli bir zamanlayıcı yapmayı deneseniz bile, sanırım sınır 15 dakikadır. Ancak "5 numaralı pin ile pozitif güç kaynağı arasına 1,8 kΩ'luk bir direnç bağlanmasının zamanlayıcı süresini iki katına çıkaracağı" belirtiliyor.
Bu yüzden aşağıdaki Şekil 1'de gösterilen devreyi kurdum ve zamanlayıcı zamanının nasıl değiştiğini görmek için R5'i çeşitli şekillerde değiştirdim. Sonuçlar şeklin sağ tarafındaki tabloda gösterilmiştir ve R5 ne kadar küçük yapılırsa zamanlayıcı süresinin o kadar uzadığını görebiliriz.

Eğer R5 mevcut değilse (C2 üzerinden GND'ye basitçe bağlandığında), IC'nin çalışmasından bağımsız olarak terminal 5'teki voltaj 4,1V olacaktır. Bu, güç kaynağı voltajının 2/3'üdür ve zamanlayıcının süresi dolduğu anda terminal 6'daki voltaja (eşik voltajı) eşittir. Öte yandan 5 numaralı pine direnç bağlarsanız terminal voltajı artacaktır. Bu, eşik voltajının daha yüksek olduğu, dolayısıyla şarjın tamamlanması için gereken sürenin uzadığı ve bunun sonucunda da zamanlayıcı süresinin daha uzun olduğu anlamına geliyor. Ayrıca R5'ten yaklaşık 0,4 mA'lik bir akım geçmekte olup, bu da IC'nin akım tüketimini artırmaktadır.

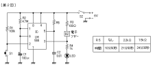
Daha sonra, bunu uzun vadeli bir zamanlayıcı olarak kullanmanın pratikliğini araştırmak için R2'yi 4,7 MΩ'a ve C1'i 100 μF'a ayarladım ve zamanlayıcı süresini ölçtüm. Daha önceki devreyi kullansaydık, zamanlayıcının süresi dolana kadar LED'e bakmaya devam etmemiz gerekeceğinden, Şekil 2'deki gibi, zamanlayıcı çalışırken LED'in yandığı ve süre dolduğunda da buzzer'ın çaldığı bir devre yaptık.
Sonuç olarak R5 1.5kΩ'a ayarlandığında zamanlayıcı süresi yaklaşık 25 dakika oldu.

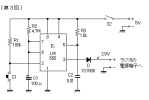
Şekil 3, Şekil 2'deki devrenin bir radyo uyku zamanlayıcısına uygulanışını göstermektedir. IC çıkışına 3V ile çalışan transistörlü bir radyo bağladım. Radyo güç kaynağı voltajına uyum sağlamak amacıyla IC'nin güç kaynağı voltajı 5V'a ayarlandı ve IC çıkışı ile radyo arasına bir diyot yerleştirildi. Yük akımı 20mA olduğunda (normal seste radyo dinlendiğinde) IC'nin çıkış voltajı 2.9V'tur.
Sonuç olarak radyo 25 dakika sonra kapandı. Zamanlayıcı süresi boyunca radyo normal şekilde çalıştı ve herhangi bir gürültüden kaynaklanan bir parazit oluşmadı. Bekleme modunda akım tüketimi 3,4mA'dir.

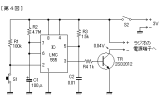
Şekil 4'te 3V'da çalışan LMC555'i kullanan bir devre gösterilmektedir. IC çıkışına bir güç transistörü bağlayın ve transistörün kollektörüne bir radyo bağlayın. Transistörün kollektör ve emitörü arasındaki gerilim düşümü küçük olduğundan, radyoya uygulanan güç kaynağı gerilimi (3V) neredeyse hiç değişmeden kalır. Bu, radyo için AC adaptörünü kullanmama olanak tanıyacaktır.
Zamanlayıcı süresi 25 dakika olarak aynı kalırken, bekleme modundaki akım tüketimi ise yalnızca 0,1 mA civarındadır.

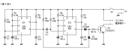
Şekil 5'te iki adet LMC555 kullanılarak zamanlayıcı süresinin iki katına çıkarılması girişimi gösterilmektedir. IC1'deki zamanlayıcı biter bitmez, bir önceki bölümde denenen otomatik tetikleme IC2'deki zamanlayıcıyı başlatır, böylece radyo Şekil 4'teki devredeki sürenin iki katı kadar (50 dakika) çalmaya devam eder. IC1'den IC2'ye geçerken gürültü olabileceğini düşündüm, ancak gerçekten denediğimde o kadar pürüzsüzdü ki geçişin ne zaman gerçekleştiğini anlayamadım.
IC1, güç verildiği anda zamanlayıcıyı başlatacak şekilde tasarlanmış, ancak bunu bir düğme anahtarıyla tetiklemek iyi çalışmadı, bu yüzden bunu şu şekilde yaptım. Anahtar basmalı buton olduğunda IC2'nin zamanlayıcısı enerji verildiği anda çalışmaya başlar ve sürenin yarısında (25 dakika) durarak bekleme moduna geçer. Daha sonra basmalı düğme anahtarı kullanılarak normal şekilde tetikleme yapılabilir.
Bu yüzden aşağıdaki Şekil 1'de gösterilen devreyi kurdum ve zamanlayıcı zamanının nasıl değiştiğini görmek için R5'i çeşitli şekillerde değiştirdim. Sonuçlar şeklin sağ tarafındaki tabloda gösterilmiştir ve R5 ne kadar küçük yapılırsa zamanlayıcı süresinin o kadar uzadığını görebiliriz.

Eğer R5 mevcut değilse (C2 üzerinden GND'ye basitçe bağlandığında), IC'nin çalışmasından bağımsız olarak terminal 5'teki voltaj 4,1V olacaktır. Bu, güç kaynağı voltajının 2/3'üdür ve zamanlayıcının süresi dolduğu anda terminal 6'daki voltaja (eşik voltajı) eşittir. Öte yandan 5 numaralı pine direnç bağlarsanız terminal voltajı artacaktır. Bu, eşik voltajının daha yüksek olduğu, dolayısıyla şarjın tamamlanması için gereken sürenin uzadığı ve bunun sonucunda da zamanlayıcı süresinin daha uzun olduğu anlamına geliyor. Ayrıca R5'ten yaklaşık 0,4 mA'lik bir akım geçmekte olup, bu da IC'nin akım tüketimini artırmaktadır.

Daha sonra, bunu uzun vadeli bir zamanlayıcı olarak kullanmanın pratikliğini araştırmak için R2'yi 4,7 MΩ'a ve C1'i 100 μF'a ayarladım ve zamanlayıcı süresini ölçtüm. Daha önceki devreyi kullansaydık, zamanlayıcının süresi dolana kadar LED'e bakmaya devam etmemiz gerekeceğinden, Şekil 2'deki gibi, zamanlayıcı çalışırken LED'in yandığı ve süre dolduğunda da buzzer'ın çaldığı bir devre yaptık.
Sonuç olarak R5 1.5kΩ'a ayarlandığında zamanlayıcı süresi yaklaşık 25 dakika oldu.

Şekil 3, Şekil 2'deki devrenin bir radyo uyku zamanlayıcısına uygulanışını göstermektedir. IC çıkışına 3V ile çalışan transistörlü bir radyo bağladım. Radyo güç kaynağı voltajına uyum sağlamak amacıyla IC'nin güç kaynağı voltajı 5V'a ayarlandı ve IC çıkışı ile radyo arasına bir diyot yerleştirildi. Yük akımı 20mA olduğunda (normal seste radyo dinlendiğinde) IC'nin çıkış voltajı 2.9V'tur.
Sonuç olarak radyo 25 dakika sonra kapandı. Zamanlayıcı süresi boyunca radyo normal şekilde çalıştı ve herhangi bir gürültüden kaynaklanan bir parazit oluşmadı. Bekleme modunda akım tüketimi 3,4mA'dir.

Şekil 4'te 3V'da çalışan LMC555'i kullanan bir devre gösterilmektedir. IC çıkışına bir güç transistörü bağlayın ve transistörün kollektörüne bir radyo bağlayın. Transistörün kollektör ve emitörü arasındaki gerilim düşümü küçük olduğundan, radyoya uygulanan güç kaynağı gerilimi (3V) neredeyse hiç değişmeden kalır. Bu, radyo için AC adaptörünü kullanmama olanak tanıyacaktır.
Zamanlayıcı süresi 25 dakika olarak aynı kalırken, bekleme modundaki akım tüketimi ise yalnızca 0,1 mA civarındadır.

Şekil 5'te iki adet LMC555 kullanılarak zamanlayıcı süresinin iki katına çıkarılması girişimi gösterilmektedir. IC1'deki zamanlayıcı biter bitmez, bir önceki bölümde denenen otomatik tetikleme IC2'deki zamanlayıcıyı başlatır, böylece radyo Şekil 4'teki devredeki sürenin iki katı kadar (50 dakika) çalmaya devam eder. IC1'den IC2'ye geçerken gürültü olabileceğini düşündüm, ancak gerçekten denediğimde o kadar pürüzsüzdü ki geçişin ne zaman gerçekleştiğini anlayamadım.
IC1, güç verildiği anda zamanlayıcıyı başlatacak şekilde tasarlanmış, ancak bunu bir düğme anahtarıyla tetiklemek iyi çalışmadı, bu yüzden bunu şu şekilde yaptım. Anahtar basmalı buton olduğunda IC2'nin zamanlayıcısı enerji verildiği anda çalışmaya başlar ve sürenin yarısında (25 dakika) durarak bekleme moduna geçer. Daha sonra basmalı düğme anahtarı kullanılarak normal şekilde tetikleme yapılabilir.