
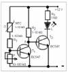
NTC termistörlü soğukta çalışan devre verilen devrede, ortam soğukken NTC’nin direnci yüksek olacağından T1 transistörünün beyzine bağlı olan potta gerilim oluşmaz ve T1 kesimde kalır. T1’in kesimde olması A noktasındaki gerilimin yüksek olmasına neden olur.
A noktasının geriliminin yükselmesi T2’yi iletime sokar ve led yanar. Ortam ısındığında NTC’nin direnci azalır ve pot üzerinde oluşan gerilim T1’i sürer. T1’in iletken olması A noktasındaki gerilimin düşmesine neden olur. A noktasının geriliminin düşmesi ise T2 transistörünü kesime sokar ve led söner.
Son düzenleme: