
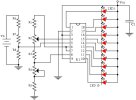
Şekil 1'de 12 V'luk bir akü gerilim seviyesini 10 adet LED ile gösteren devre şeması verilmektedir. Devrenin ana elemanı LM3914 entegresidir. Bu entegre içerisinde 10 adet gerilim bölücüyü ihtiva eden 10 adet karşılaştırıcı vardır. Bu gerilim bölücünün alt ve üst uçları entegrenin 4 ve 6 numaralı bacaklarıdır. Entegre 7 ve 8 numaralı bacakları arasında 1,25 V'luk bir referans gerilim oluşturmaktadır.
Seviyesi izlenecek akü gerilimi bir gerilim bölücü kullanılarak 5 numaralı bacağa uygulanır. 12 V için 5 numaralı bacağa gelen gerilim 1,52 V'dur. Minimum seviye R2 direnci ile ayarlanırken maksimum seviye R4 direnci ile istenilen değere getirilir. Bu devrede 4 numaralı bacaktaki alt gerilim 1,48 V (11,5 V akü gerilimine takabül eden) ve 6 numaralı bacaktaki üst gerilim 1,897 V (14,5 V akü gerilimine takabül eden) değerindedir. Alt gerilim seviyesinden itibaren her 300 mV gerilim artışında LED'ler 1 numaradan itibaren yanmaya başlıyacaklar ve 1,897 V da ise bütün LED'ler yanmış olacaktır.
Gerilim arttıkça LED'ler sıra ile yanarken bir alt seviyedeki LED sönmeyecektir (sütün gösterge). Bu entegre aynı zamanda gerilimi nokta şeklinde de gösterebilmektedir (herhangi bir gerilim seviyesinde sadece bir adet LED yanacaktır). Bunun için tek yapılması gereken +Vcc gerilimine bağlı olan 9 numaralı bacağa hiç bir bağlantı yapılmamasıdır (9 numaralı bacak boşta olmalıdır).
Akü gerilim seviyesi göstergesi devre şeması için parça listesi
Vcc +15V doğru gerilim
Vb Seviyesi gösterilecek olan doğru gerilim
R1 280 W 1/4 watt direnç
R2 100 W ayarlı direnç
R3 680 W 1/4 watt direnç
R4 100 W ayarlı direnç
R5 280 W 1/4 watt direnç
R6 33 kW 1/4 watt direnç
R7, R8 5.6 kW 1/4 watt direnç
C1 1 µF seramik kapasitör
U1 LM3914 nokta/sütün gösterge sürücüsü
LED1-10 Genel amaçlı ışık veren diyot (LED)