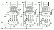
Devre, TTL ailesine ait olan 7490 sayıcı ve 7447 BCD kod çözücü entegreleri kullanılarak düzenlenmiştir. Girişine uygulanan saat palsine bağlı olarak 0...9 arası sayıcı olarak düzenlenmiş herbir grup arda arda bağlandağı için 000...999 arası sayar. Devre girişine fototransistör veya manyetik sensör gibi algılayıcılar bağlanırsa devre, devir sayıcı v.b olarak kullanılabilir.

