[
Menu
]>[
Circuits Gallery
]>[
Signboard 2
]
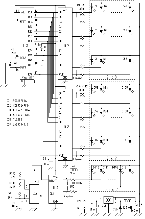
Circuit drawing of signboard 2