[
Menu
]>[
Circuits Gallery
]>[
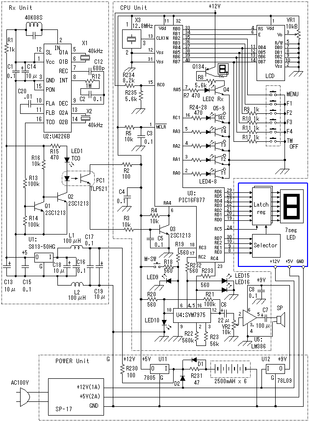
Radio Controlled Clock with Large-Sized Display
]
Circuit drawing of RCC with LSD
When clicking the part which was enclosed by the blue line, you will jump in a detailed circuit.