
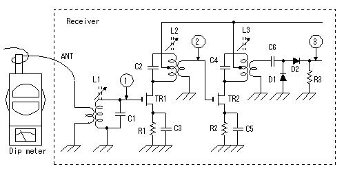
Adjustment of the receiving frequency
I used Dip meter, High frequency detector and Circuit tester for the adjustment of the
receiver. In case of the high frequency circuit,
the resonant frequency is not as the calculation. The wiring becomes the
part of the coi and the capacitance changes in the interval of the wiring
and influences the value of the capacitor. So, an adjustment is always
needed.
Adjustment of the high frequency
transformer
There is a notch at the top of the core of the high
frequency transformer and the position of the core can be adjusted
with the screwdriver and so on. When turning a core to the right, a
core is inserted in the coil of the transformer. With this, the
inductance of the coil becomes big and the resonant frequency becomes
low. When turning a core to the left, the core gets away from the
coil. With this, the inductance of the coil becomes small and the
tuning frequency becomes high. As for the position at the head of the
core, the position of the surface of the transformer is desirable. It
changes the value of the capacitor to be putting in the coil in
parallel to become like this as possible.
Adjustment of L1
It connects a high frequency detector with
. It checks the resonant frequency of L1
while changing the frequency of the dip meter. When different from the
planned frequency (about 83 MHz) extremely, it changes the value of
C1. Because there is not an amplifier in the part of , the voltage is small. So, the circuit
tester which is connected with the high frequency detector should be
set in the voltage range as small as possible. But, it is necessary to
pay attention in the surplus of the voltage to prevent circuit
tester's breaking. Because the voltage of is small, it doesn't have to adjust, being
detailed.
Adjustment of L2
Next, it connects a high frequency detector with
and it adjusts L2. When changing the value
of C1 in adjustment of L1, it makes C2 the same value too. Because
there is a high-frequency amplifier before , the output voltage becomes
higher little than .
Adjustment of L3
Next, it connects a circuit tester with and it adjusts L3 as previous. Because the
voltage of is changed into the direct current by the
diode, it can not connect a high frequency detector. I made the value of C3 1pF less than C2. The core fitted the
top of the transformer at this value.
Last adjustment of the resonant
frequency
It stops the oscillation of the dip meter and it
brings the coil of the dip meter close to the coil of the transmitter.
While turning the dial of the dip meter, it checks the point where the
needle of the meter moves. The frequency is the oscillation frequency
of the transmitter. Making do the operation of
the oscillator of the dip meter without changing the position of the
dial. It brings an antenna with receiver close to the coil of the dip
meter. It connects a circuit tester with the position of , it adjusts L1, L2 and L3 in the order and
the voltage of maximizes. The electric wave of the
transmitter can be used without using a dip meter, too. Because the
transmission frequency changed when the transmitter made do long
operation, I used a dip meter. It confirms that
it receives the electric wave of the transmitter after the adjustment
by the dip meter ends and that voltage is gotten at .
Confirmation of the comparator
output
It connects a circuit tester with the 7th pin of IC1.
It confirms that it becomes 0V when not receiving an electric wave and
it becomes +5V when receiving an electric wave.
Above, all adjustments of the receiver are ending. After this, it
loads PIC and it confirms the operation of the relay and the lighting-up
of the LED which corresponds with the transmission code. I mounted PIC and confirmed normally operation.
Sensitivity with receiver
The sensitivity with the receiver which was made this
time isn't good. I can not measure sensitivity because I don't have a
measurement receptacle. Approximately hereinafter. It puts a 1-m antenna to the receiver and it puts a 20-cm antenna
to the transmitter. As for the distance between the receiver antenna and
the transmitter, about 1m is a limit. It seems
not to be practical. However, I think that it can be used for the
control of the door or the control of the security lock and so on. In
this case, there is not high receiver sensitivity, being needed.
(Excusing) At first, I thought that it was
possible to control from the place to have left by about 5m. It was
impossible. Because the receiving sensitivity
which was hoped for wasn't gotten, I think that I will make the receiver
which used IC for the FM
receiver.
|