[
Menu
]>[
Circuits Gallery
]>[
Remote Controller
]
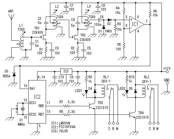
Circuit drawing for Receiver-1