[Menu]>[Electronic circuit beans
collection]>[PLL synthesizing
oscillator (3)]
_dosyalar/ckt15_31.gif)
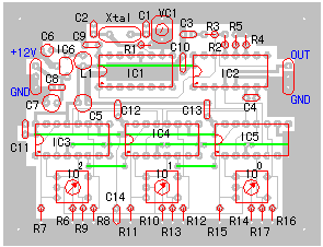
| The jumper used the tin coated wire of 0.2
mm. It makes the hole to let through the jumpers 0.5 mm. It makes the hole which lets through the parts 0.6 mm. At 0.5 mm, it is small a little. |