[
Menu
]>[
Electronic circuit beans collection
]>[
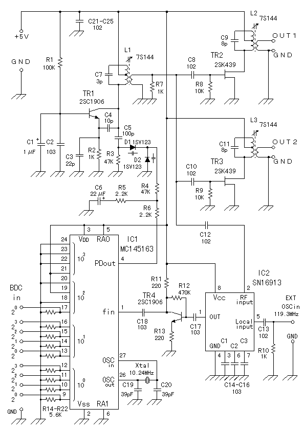
PLL synthesizing oscillator (2)
]
Circuit drawing
of PLL synthesizing oscillator (2)