_dosyalar/blank_1_nv.gif)
Voltage controlled oscillator
( VCO )
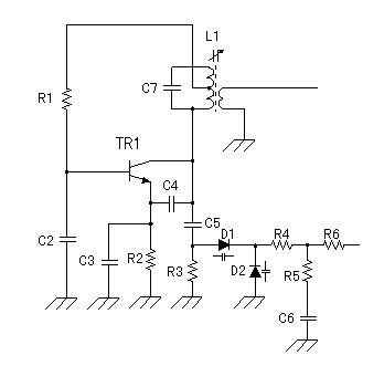
The oscillation frequency of the voltage controlled
oscillator is controlled by the output of the PLL synthesizer and does
the stable oscillation of 119.3 MHz.
As the oscillation circuit, it is using Colpitts LC
oscillation circuit. C3 and C4 become the
capacitors of the Colpitts circuit for the voltage
division. The oscillation frequency is changed by
the capacitance of C5, D1 and D2.
D1 and D2 are the variable capacitance
diode (the varicap diode). The capacitance of the diode changes when
gaining opposite direction voltage. The capacitance becomes small when
making opposite direction voltage high.
Two
diodes are using for expanding the adjustment range of the
frequency.
The signal for the control which is output from the
charge pump of MB87014A is a pulse signal. A pulse signal is changed
into the voltage change of the direct current through the filter by R4,
R5, R6 and C6.
_dosyalar/blank_1_nv.gif)
Colpitts oscillation circuit
_dosyalar/ckt11_42.gif) This oscillation circuit makes
oscillate in dividing collector voltage with the capacitors and
returning to the emitter. The oscillation
frequency can be calculated by the following
formula.
_dosyalar/ckt11_43.gif)
In case of the high
frequency circuit, the capacitance and the inductance (the coil
ingredient) of transistor itself and the wiring influence a resonant
frequency. Therefore, above-mentioned
calculation result is used as roughly
value. |
_dosyalar/blank_1_nv.gif)
Output buffer
To prevent from an influence from the external circuit
over the oscillation, an output buffer is provided. The FET transistor is using for the output
buffer. The FET is an electric Field Effect-type
Transistor. The output current (the drain electric current) can be
controlled at the voltage which is gained by the input (the gate). Usual transistor controls an output current in the electric current which
flows through the base. In case of the FET,
because to pass an input electric current isn't necessary, it is
possible to compose with the simple circuit.
_dosyalar/blank_1_nv.gif)
PLL frequency synthesizer(MB87014A)
_dosyalar/blank_1_nv.gif)
Initialization circuit
_dosyalar/blank_1_nv.gif) |