[Menu]>[Electronic circuit beans
collection]>[PLL synthesizing
oscillator (1)]
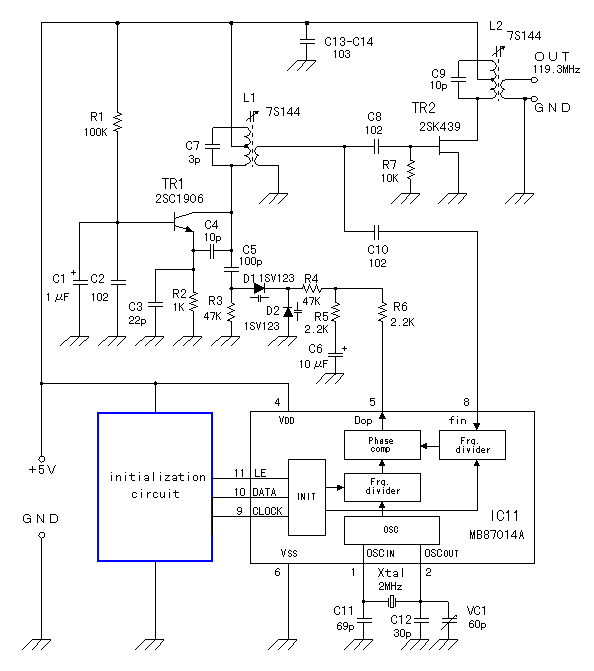
Circuit drawingof PLL
synthesizing oscillator (1)
The initialization
circuit block of the top is a clickable image map.It
jumps in the page of the explanation when you click the
block._dosyalar/blank_1.gif)