[Menu]>[Electronic circuit beans collection]


LED counter




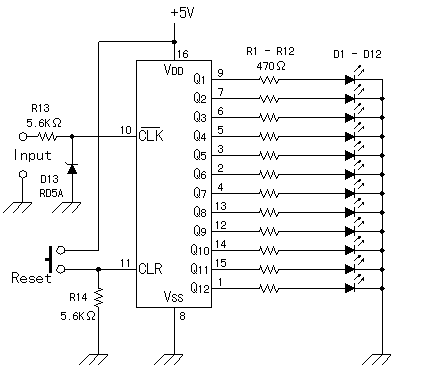
This circuit is the 12-bit binary counter which used 4040B.
The number of the pulses of the input can be confirmed by seeing it with the eyes by putting the light-emitting diode to the output of the counter.
It is the function only of it but it is useful.
Because it is the 12 bits, the highest rank counter is divided to 1/4096. Because it is, in the highest rank, the signal of 4KHz can be seen in the about 500-millisecond blink.
At the input circuit, it is protecting the counter IC from the excessive input voltage with the resistor and the Zener diode.


Pattern drawing