[Menu]>[Electronic circuit beans collection]>[Power controller]


Operation explanation
of the electric power controller



The bidirectional triode thyristor ( TRIAC:Trade name )

There is the thyristor in the special one of the diode.
At the thyristor, the timing which the forward direction electric current flows through can be controlled.
The thyristor has the three terminals. They are the T2(The terminal which is equivalent to the anode), the T1(The terminal which is equivalent to the cathode) and the gate.
In case of the usual diode, the electric current in the forward direction begins to flow immediately when the voltage is applied to the forward direction. However, in case of the thyristor, the electric current in the forward direction doesn't flow when the electric current doesn't flow through the gate. When the trigger electric current(Pulse) flows through the gate, the forward direction electric current of the thyristor begins to flow. The forward direction electric current of the thyristor to have begun to flow through once alwayses fall through even if the electric current at the gate passes away until the forward voltage passes away. The gate function is again restored when the forward voltage passes away. So, the forward direction electric current of the thyristor doesn't flow until the trigger electric current flows through the gate even if the forward voltage is applied once again.

The bidirectional triode thyristor is the thyristor which can be used in the alternating current. It is possible to work the gate function in each of the alternating current sides of the positive voltage, the sides of the negative voltage. Because it is, the electric power of the alternating current can be controlled.




The trigger diode ( DIAC:Trade name )


The trigger diode has the special characteristic. In case of usual diode, the forward direction electric current flows when the forward voltage is applied but in case of the trigger diode, until the forward voltage becomes the breakover voltage(VBO), the forward direction electric current doesn't flow. At the trigger diode, the electric current flows through bidirectionaly. When the voltage above VBO isn't applied, the electric current doesn't flow in case of the positive voltage and the negative voltage. When the voltage which is applied to the diode crosses VBO, the diode becomes the ON condition and the voltage of the both edges of the diode falls rapidly.
This characteristic matches to control the gate of the bidirectional triode thyristor. Probably, I think that the diode which was developed to control the bidirectional triode thyristor.




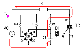
The electric power control with the bidirectional triode thyristor

To control the electric power(control of the quantity of the electric current) with the bidirectional triode thyristor, the trigger diode is used for the gate circuit. By the phase change of the electric current which flows through the trigger diode, the timing which the alternating current electric current flows through is controlled.

The phase control circuit

As the circuit to change the trigger timing, the circuit which combined the resistor and the capacitor is used. When the alternating voltage is applied to the capacitor, the phase of the electric current of the capacitor progresses by the 90 degrees. Because it is, the voltage of the both edges of the resistor becomes the voltage to have advanced towards the alternating voltage of the input by the 90 degrees. Therefore, the voltage of the both edges of the capacitor becomes the voltage to have been 90 degrees behind from the input alternating voltage.


When the resistance value (R) is big, the delay of Vc is the 90 degrees but the delay becomes little when the resistance value (R) becomes small.



Rresistance(R)=Small

Rresistance(R)=Middle

Rresistance(R)=Big

When the resistance value (R) is small, the electric charge is stored up rapidly at the capacitor and the capacitor voltage rise becomes fast. Therefore, it becomes short in the time which reaches the trigger voltage(VBO) of the trigger diode, too, and the bidirectional triode thyristor becomes the ON condition in the early time with the input alternating voltage. When the resistance value is small, the delay of the capacitor voltage (Vc) becomes below the 90 degrees.
When the bidirectional triode thyristor becomes the ON condition once, even if the electric current at the gate passes away, for the half cycle, the electric current alwayses fall through. When the bidirectional triode thyristor becomes the ON condition, the voltage of the CT falls(Following) and the electric current which flows through the trigger diode stops. Because it is, the necessary electric current flows through the gate of the bidirectional triode thyristor only in a little time for it to become ON.
The speed of the electric charge which is stored up at the capacitor becomes slow when the resistance value becomes big. Therefore, the capacitor both edge voltage rise takes the time, too, and the bidirectional triode thyristor becomes the ON condition in the late time with the input alternating voltage. When the ON timing of the bidirectional triode thyristor becomes late, it becomes short in the time which the electric current flows through and the electric power which is applied to the load becomes little.
When the resistance value becomes bigger, the voltage of the capacitor both edges becomes small and Vc gets not to reach the trigger voltage of the trigger diode. Then, the trigger electric current doesn't flow through the gate of the bidirectional triode thyristor and the electric power becomes not supplied to the load. (It is the same as the switch OFF)



The hysteresis prevention circuit
It is necessary to make discharge as fast as possible by the electric charge which was stored up at the capacitor(CT) for the timing after the bidirectional triode thyristor(TR) becomes ON. Otherwise, the electric charge which was stored up in the CT has an influence on the trigger timing of the next cycle.
Below, I explain the situation that the input voltage switches over from the positive condition to the negative condition.

When TR becomes the ON condition, as for the voltage between T2 and T1 of TR, it falls to about 1.5 V. When R1 is small, the electric charge of the CT is discharged through R1 and TR. When R1 is big, it is discharged through D1, R2 and TR and the both edge voltage of CT going down.
When the trigger timing is early(When the ON time of the bidirectional triode thyristor is long), the voltage of the CT falls sufficiently. However, when the trigger timing is late(When the ON time of the bidirectional triode thyristor is short), it isn't possible to discharge sufficiently in the electric charge of the CT.

Therefore, it discharges rapidly with D1 and D2 when the input voltage becomes the opposite direction. D2 becomes the ON condition when the input voltage becomes negative. When the voltage of the A point is higher than the B point, both of D1 and D2 become the ON condition. When the diode is in the ON condition, the electric current can flow through the opposite direction, too. Because it is, the electric charge of the CT is discharged through D1 and D2. Because the forward voltage of the diode is less than 1 V, the voltage of the both edges of the CT falls immediately to about 1 V. In the following half cycle(the side of the negative), the electric charge of the opposite polarity begins to be stored up in the CT. Therefore, the A point becomes lower than the B point and D1 becomes the OFF condition. Therefore, the speed that the electric charge is stored up in the CT is decided only by R1.
After that, the electric charge is stored up in the CT until the voltage of the both edges of the CT becomes the breakover voltage (VBO) of the trigger diode. When the voltage of the trigger diode becomes VBO, the electric current flows through the gate of TR and TR becomes the ON condition.

The operation since then is same as being above-mentioned.




The noise filter circuit


The bidirectional triode thyristor makes the noise occur at the time of ON/OFF. When the noise has an influence on the equipment to use for the load, it is possible to reduce when putting the filter.
Also, when using the equipment which used the coil(Motor and so on) for the load, the high voltage sometimes occurs there. This circuit can protect the bidirectional triode thyristor from the high voltage, too.

TNR is a kind of the semiconductor, being called the varistor. When the voltage which is higher than the varistor voltage is applied, the resistance value of the varistor falls, and makes bypass the voltage and protects the bidirectional triode thyristor.
In case of AC 100V, the one that the varistor voltage is about 270 V is used.
To connect the varistor with the load in parallel, too, is effective to protect the bidirectional triode thyristor from the high voltage from the load.
The varistor sometimes connects when it degrades. Because it is, when connecting the varistor with the load in parallel, the fuse must be put in the AC circuit.