[
Menu
]>[
Electronic circuit beans collection
]>[
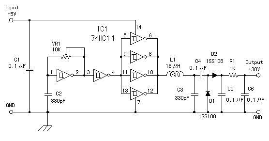
+30V Power
]
Circuit drawing for +30V power supply