[Menu]>[Electronic circuit beans collection]>[+30V DC-DC]


Circuit drawing and Parts mounting
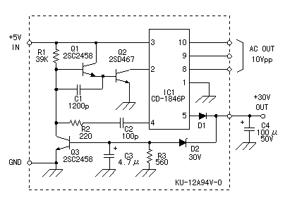
for +30V DC-DC converter


Circuit drawing

This circuit drawing is the drawing which was made from the printed wiring pattern of the converter.
The pin numbering of the IC has the possibility not to be correct.



Parts mounting





Wiring side photograph