Index of /dosyalar/elektronik/smps_devreleri/IR2153 kısa devre korumalı (300 W) basit UPS/

NameLast ModifiedSize
UpParent Directory
[IMG]1206798507_.thumb.GIF.6fc1ea13dda5ac3472682a58409c69fb.gif2021-09-17 15:37 231k
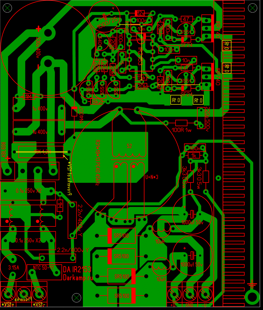
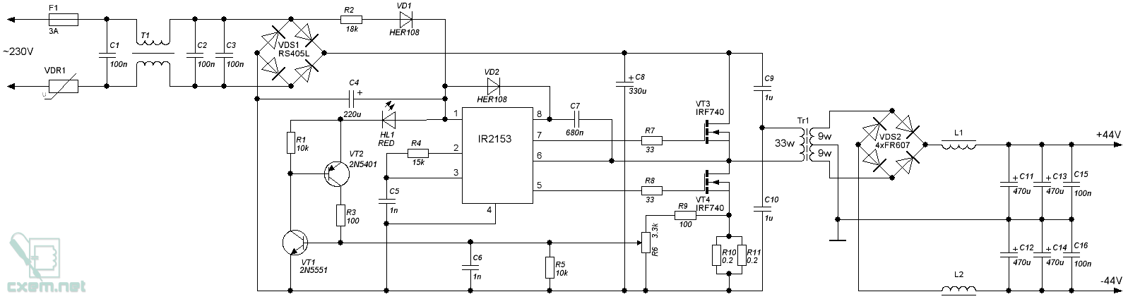
[IMG]5-268-1.jpg2021-09-17 15:37 44k
[IMG]5-268-2.png2021-09-17 15:37 20k
[IMG]5-268-3.jpg2021-09-17 15:37 46k
[IMG]5-268-4.jpg2021-09-17 15:37 47k
File5-268.pdf2021-09-17 15:37 164k
File5-268_IBP300WKZ.lay2021-09-17 15:37 171k
[TXT]Простой ИБП на IR2153 с защитой от перегрузки...2021-09-17 15:37 2359k
Proudly Served by LiteSpeed Web Server at uydudoktoru.com Port 443