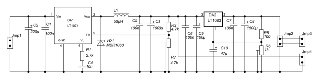
Bu sabitleyici, önceki makalede açıklanan SMPS ile çalışmak üzere tasarlanmıştır. Devrenin bazı karmaşıklığı, yüksek verimlilik, nispeten yüksek yük kapasitesi ile dengelenmekten daha fazladır ve anahtarlamalı güç kaynaklarından gelen çıkış voltajı spektrumunun kararlılığı ve saflığına yüksek talepler getiren devreler için kullanılabilir.

Stabilizatör, iki stabilizasyon aşaması içerir. Birincisi, yüksek verimliliğe sahip PWM'li bir anahtarlama regülatörü, çok çeşitli giriş ve çıkış voltajlarında ve ayrıca yüksek yük kapasitesinde (5 Ampere kadar) çalışabilen LT1074 yongası üzerine monte edilmiştir.
Bu dengeleyicinin çıkışında, ekipmanın RF dalgalanmalarına yüksek gereksinimler getirmeyen ikincil bileşenlerine güç sağlamak için kullanılabilen 13.8V'luk bir voltaj ayarlanır.
İkinci aşama, LT1083 yongası (KR142EN22A) üzerine monte edilmiştir. Bu lineer bir stabilizatördür, bu devrede giriş voltajında minimum marjla çalışır, bu da bu düğümün yüksek verimliliğini sağlar. Çıkış voltajı 12V olarak ayarlanmıştır.
Stabilizatörün giriş voltajı 16 volttan az ve 35 volttan fazla olmamalıdır.
Cebri soğutma kullanılmadan her iki stabilizatörün çıkışlarındaki toplam uzun süreli (birkaç saat) yük akımı 5A'ya kadardır. PCB çizimini lay formatında buradan
indirebilirsiniz .
Şok, prespermalloydan yapılmış 20x12x7 bir çekirdek üzerine sarılmıştır, geçirgenlik yaklaşık 50'dir, PEL 1.0 tel ile ve 38 tur içerir.


Cihazla ilgili her türlü soru ARCalc forumunda sorulabilir. |