Her radyo amatörünün, tamircinin veya sadece bir zanaatkarın, devrelerine güç sağlamak, bunları bir güç kaynağı kullanarak test etmek veya bazen sadece pili şarj etmek için bir güç kaynağına ihtiyacı vardır. Öyle oldu ki bir süre önce bu konuyla ilgilenmeye başladım ve benim de benzer bir cihaza ihtiyacım vardı. Her zamanki gibi, bu konuyla ilgili internette birçok sayfayı araştırdım, forumlardaki birçok konuyu takip ettim, ancak tam olarak ihtiyacım olan şey aklımda hiçbir yerde yoktu - sonra her şeyi kendim yapmaya, gerekli tüm bilgileri parça parça toplamaya karar verildi. Böylece TL494 çipini temel alan bir anahtarlama laboratuvarı güç kaynağı doğdu.

Özel olan şey - yani pek bir şey gibi görünmüyor ama açıklayacağım - bir bilgisayarın orijinal güç kaynağını aynı baskılı devre kartı üzerinde yeniden yapmak bana pek Feng Shui gibi görünmüyor ve güzel de değil. Kasayla ilgili de aynı hikaye; delikli bir metal parçası hiç de iyi görünmüyor, ancak bu tarzın hayranları varsa buna karşı hiçbir şeyim yok. Bu nedenle, bu tasarım yalnızca orijinal bilgisayar güç kaynağının ana parçalarına dayanmaktadır, ancak baskılı devre kartı (veya daha doğrusu baskılı devre kartları - aslında bunlardan üç tane vardır) ayrı olarak ve kasa için özel olarak yapılmıştır. Buradaki kasa da iki parçadan oluşuyor - elbette taban Kradex Z4A kasası ve fotoğrafta görebileceğiniz fan (soğutucu). Vücudun bir devamı gibidir, ama önce ilk şeyler.
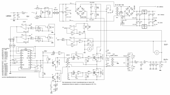
Güç kaynağı şeması:
Makalenin sonunda parçaların listesini görebilirsiniz. Şimdi anahtarlamalı bir laboratuvar güç kaynağının devresini kısaca analiz edelim. Devre TL494 yongası üzerinde çalışıyor, birçok analog var, ancak yine de orijinal yongaların kullanılmasını öneriyorum, Çin analoglarının ve sahtelerinin aksine çok ucuzlar ve güvenilir bir şekilde çalışıyorlar. Ayrıca birkaç eski güç kaynağını bilgisayarlardan söküp gerekli parçaları oradan toplayabilirsiniz, ancak mümkünse yeni parçalar ve mikro devreler kullanmanızı öneririm - bu, tabiri caizse başarı şansını artıracaktır. Yerleşik anahtar elemanlar TL494'ün çıkış gücünün, ana darbe transformatörü Tr2 üzerinde çalışan güçlü transistörleri kontrol etmek için yeterli olmaması nedeniyle, Tr1 kontrol transformatörü kullanılarak T3 ve T4 güç transistörleri için bir kontrol devresi inşa edilir. Bu kontrol transformatörü, sargıların bileşiminde değişiklik yapılmadan eski bir bilgisayar güç kaynağından kullanılır. Kontrol transformatörü Tr1, T1 ve T2 transistörleri tarafından tahrik edilir.

Kontrol transformatöründen gelen sinyaller, güç transistörlerinin tabanlarına D8 ve D9 diyotları aracılığıyla sağlanır. T3 ve T4 transistörleri MJE13009 bipolar markaları kullanılır, daha düşük akıma sahip transistörler kullanabilirsiniz - MJE13007, ancak burada devrenin güvenilirliğini ve gücünü artırmak için onları daha yüksek bir akımda bırakmak yine de daha iyidir, ancak bu olmayacak sizi devrenin yüksek gerilim devrelerinde kısa devre yapmaktan kurtarır. Daha sonra, bu transistörler, VDS1 diyot köprüsünden 310 voltluk düzeltilmiş voltajı ihtiyacımız olana (bu durumda 30 - 31 volt) dönüştüren transformatör Tr2'yi döndürür. Transformatörün geri sarılması (veya sıfırdan sarılması) ile ilgili veriler biraz sonra gelecektir. Çıkış voltajı, voltajın mümkün olduğunca dalgalanmasız olması için bir doğrultucunun ve bir dizi filtrenin bağlandığı bu transformatörün sekonder sargılarından çıkarılır. Düzeltme sırasındaki kayıpları en aza indirmek ve bu elemanın aşırı ısınmasını ortadan kaldırmak için Schottky diyotlarında doğrultucu kullanılmalıdır, devreye göre ikili bir Schottky diyot D15 kullanılır. Burada da diyotların izin verilen akımı ne kadar büyük olursa o kadar iyidir. Devrenin ilk çalıştırılması sırasında dikkatsiz davranırsanız, bu diyotlara ve T3 ve T4 güç transistörlerine zarar verme ihtimali yüksektir. Devrenin çıkış filtrelerinde düşük ESR'ye (Düşük ESR) sahip elektrolitik kapasitörler kullanılmaya değer. L5 ve L6 bobinleri eski bilgisayar güç kaynaklarından kullanıldı (eskileri gibi olmasına rağmen - sadece hatalı, ancak oldukça yeni ve güçlü, 550 W gibi görünüyor). L6, sarımı değiştirmeden kullanılır ve bir düzine kadar kalın bakır telden oluşan bir silindirdir. Bilgisayar birkaç voltaj seviyesi kullandığından L5'in yeniden sarılması gerekiyor - yalnızca düzenleyeceğimiz bir voltaja ihtiyacımız var.

L5 sarı bir halkadır (farklı özelliklere sahip ferritler kullanılabildiğinden her halka çalışmaz; sarı olanlara ihtiyacımız var). Bu halkanın etrafına 1,5 mm çapında yaklaşık 50 tur bakır tel sarılmalıdır. Direnç R34 bir söndürme direncidir - kapasitörleri boşaltır, böylece ayarlama sırasında ayar düğmesini çevirirken voltajın düşmesi için uzun süre bekleme durumu oluşmaz.
Radyatörlere, ısınmaya en duyarlı olan T3 ve T4 elemanları ile D15 elemanları monte edilir. Bu tasarımda da eski bloklardan alınıp formatlanmış (kasanın ve baskılı devre kartının boyutlarına uyacak şekilde kesilip bükülmüş).

Devre darbelidir ve kendi gürültüsünü ev ağına aktarabilir, bu nedenle ortak modlu bir L2 bobininin kullanılması gerekir. Mevcut ağ parazitini filtrelemek için L3 ve L4 bobinlerini kullanan filtreler kullanılır. NTC1 termistörü, devre bir prize takıldığında akım dalgalanmasını önleyecek; devre daha yumuşak bir şekilde başlayacaktır.
Gerilimi ve akımı kontrol etmek ve TL494 yongasını çalıştırmak için 310 volttan daha düşük bir gerilime ihtiyaç vardır, dolayısıyla bunun için ayrı bir güç devresi kullanılır. Küçük boyutlu bir transformatör Tr3 BV EI 382 1189 üzerine inşa edilmiştir. İkincil sargıdan voltaj, bir kapasitör tarafından basit ve öfkeli bir şekilde düzeltilir ve yumuşatılır. Böylece güç kaynağı devresinin kontrol kısmı için gerekli 12 voltu elde ediyoruz. Daha sonra, 7805 doğrusal stabilizatör çipi kullanılarak 12 volt, 5 volta stabilize edilir - bu voltaj, voltaj ve akım gösterge devresi için kullanılır. Gerilim ve akım gösterge devresinin işlemsel yükselticisine güç vermek için yapay olarak -5 voltluk bir gerilim de yaratılır. Prensip olarak, belirli bir güç kaynağı için mevcut herhangi bir voltmetre ve ampermetre devresini kullanabilirsiniz ve gerek yoksa bu voltaj stabilizasyon aşaması ortadan kaldırılabilir. Kural olarak, yaklaşık 3,3 - 5 volt güç kaynağı gerektiren mikrodenetleyiciler üzerine kurulu ölçüm ve gösterge devreleri kullanılır. Ampermetre ve voltmetrenin bağlantısı şemada gösterilmiştir.

Fotoğrafta, süper yapıştırıcı ile plastiğe güvenli bir şekilde yapıştırılmış somunlara vidalanmış cıvatalarla panele tutturulmuş, mikro denetleyicili bir baskılı devre kartı var - bir ampermetre ve bir voltmetre. Bu göstergenin 9,99 A'ya kadar akım ölçüm sınırlaması vardır ve bu, bu güç kaynağı için açıkça yeterli değildir. Gösterge fonksiyonları dışında akım ve gerilim ölçüm modülü, cihazın ana kartına göre hiçbir şekilde yer almamaktadır. Herhangi bir yedek ölçüm modülü işlevsel olarak uygundur.
Gerilim ve akım düzenleme devresi dört işlemsel yükselteç üzerine inşa edilmiştir (LM324 kullanılır - tek bir pakette dört işlemsel yükselteç). Bu mikro devreye güç vermek için L1 ve C1, C2 elemanlarında bir güç filtresi kullanmaya değer. Devrenin kurulumu, kontrol aralıklarını ayarlamak için yıldız işaretiyle işaretlenmiş elemanların seçilmesinden oluşur. Ayar devresi ayrı bir baskılı devre kartı üzerine monte edilmiştir. Ek olarak, daha düzgün akım regülasyonu için uygun şekilde bağlanmış birkaç değişken direnç kullanabilirsiniz.
Dönüştürücünün frekansını ayarlamak için C3 kapasitörünün değerini ve R3 direncinin değerini seçmek gerekir. Diyagram, hesaplanan verileri içeren küçük bir plakayı göstermektedir. Çok yüksek bir frekans, anahtarlama sırasında güç transistörlerindeki kayıpları artırabilir, bu nedenle kendinizi fazla kaptırmamalısınız, bence 70-80 kHz veya daha az bir frekans kullanmak en uygunudur.
Şimdi transformatör Tr2'nin sarma veya geri sarma parametreleri hakkında. Ayrıca eski bilgisayar güç kaynaklarının tabanını da kullandım. Yüksek akıma ve yüksek gerilime ihtiyacınız yoksa, böyle bir transformatörü geri saramazsınız, ancak sarımları uygun şekilde bağlayarak hazır olanı kullanabilirsiniz. Ancak daha fazla akım ve gerilime ihtiyaç duyulursa daha iyi sonuç alabilmek için transformatörün yeniden sarılması gerekir. Öncelikle sahip olduğumuz çekirdeği sökmemiz gerekecek. Bu en önemli an çünkü ferritler oldukça kırılgandır ve onları kırmamalısınız, aksi takdirde her şey çöp olacaktır. Bu nedenle, çekirdeği sökmek için ısıtılması gerekir, çünkü yarıları birbirine yapıştırmak için üretici genellikle ısıtıldığında yumuşayan epoksi reçine kullanır. Açık ateş kaynakları kullanılmamalıdır. Elektrikli ısıtma ekipmanı çok uygundur; ev koşullarında, örneğin elektrikli soba. Isıtırken çekirdeğin yarısını dikkatlice ayırın. Soğuduktan sonra tüm orijinal sargıları çıkarın. Şimdi transformatörün birincil ve ikincil sargılarının gerekli dönüş sayısını hesaplamanız gerekiyor. Bunu yapmak için ihtiyacımız olan dönüştürücü parametrelerini ayarladığımız ve kullanılan çekirdeğe göre dönüş sayısının hesaplamasını aldığımız ExcellentIT(5000) programını kullanabilirsiniz. Daha sonra, sarma işleminden sonra transformatör çekirdeği tekrar birbirine yapıştırılmalıdır; ayrıca yüksek mukavemetli yapıştırıcı veya epoksi reçine kullanılması da tavsiye edilir. Yeni bir çekirdek satın alırken, çoğu zaman çekirdek yarıları metal zımbalar ve cıvatalarla bir arada tutulabildiğinden, yapıştırmaya gerek olmayabilir. Cihazın çalışması sırasında akustik gürültüyü ortadan kaldırmak için sargıların sıkı bir şekilde sarılması gerekir. İstenirse sargılar bir çeşit parafin ile doldurulabilir.
Baskılı devre kartları Z4A paketi için tasarlandı. Kasanın kendisi, soğutma amacıyla hava sirkülasyonunu sağlamak için küçük değişikliklere tabi tutuluyor. Bunu yapmak için yanlara ve arkaya birkaç delik açın ve fan için üstte bir delik açın. Fan aşağı doğru üfler, fazla hava deliklerden dışarı çıkar. Fanı ters çevirerek kasadaki havayı dışarı atmasını sağlayabilirsiniz. Aslında fan soğutmasına nadiren ihtiyaç duyulur ve ağır yükler altında bile devre elemanları çok fazla ısınmaz.




Ön paneller de hazırlanmıştır. Gerilim ve akım göstergeleri, yedi bölümlü göstergeler kullanılarak kullanılır ve bu göstergeler için, elektrostatik hassasiyetle işaretlenmiş radyo elemanlarının paketlendiğine benzer şekilde, ışık filtresi olarak metalize bir antistatik film kullanılır. Ayrıca pencere camına yapıştırılmış yarı saydam filmi veya arabalar için renklendirme filmini de kullanabilirsiniz. Ön ve arka panellerdeki öğeler zevkinize göre düzenlenebilir. Benim durumumda, arka tarafta prize bağlanmak için bir konektör, bir sigorta bölmesi ve bir anahtar var. Ön tarafta akım ve voltaj göstergeleri, akım stabilizasyonunu (kırmızı) ve voltaj stabilizasyonunu (yeşil) gösteren LED'ler, akım ve voltajı ayarlamak için değişken direnç düğmeleri ve çıkış voltajının bağlı olduğu hızlı serbest bırakılabilen bir konnektör bulunur.

Doğru şekilde monte edilirse güç kaynağının yalnızca kontrol aralıklarını ayarlaması gerekir.
Akım koruması (akım stabilizasyonu) şu şekilde çalışır: ayarlanan akım aşıldığında TL494 çipine bir voltaj azaltma sinyali gönderilir - voltaj ne kadar düşük olursa akım da o kadar düşük olur. Aynı zamanda ön panelde ayarlanan akımın aşıldığını veya kısa devre olduğunu gösteren kırmızı bir LED yanar. Normal voltaj düzenleme modunda yeşil LED yanar.
Anahtarlamalı laboratuvar güç kaynağının ana özellikleri esas olarak kullanılan eleman tabanına bağlıdır; bu versiyonda özellikler aşağıdaki gibidir:
- Giriş voltajı – 220 volt AC
- Çıkış voltajı – 0 ila 30 volt DC
- Çıkış akımı 15A'den fazla (gerçekte test edilen değer)
- Gerilim düzenleme modu
- Akım stabilizasyon modu (kısa devre koruması)
- Her iki modun LED'lerle gösterilmesi
- Yüksek güce sahip küçük boyutlar ve ağırlık
- Akım ve gerilim limit ayarı
Özetlemek gerekirse, laboratuvar güç kaynağının oldukça kaliteli ve güçlü olduğu ortaya çıktı. Bu, güç kaynağının bu versiyonunu hem kendi devrelerinizden bazılarını test etmek hem de araba akülerini şarj etmek için kullanmanıza olanak tanır. Çıkıştaki kapasitansların oldukça büyük olduğunu da belirtmek gerekir, bu nedenle kısa devrelere izin vermemek daha iyidir, çünkü kapasitörlerin deşarjı büyük olasılıkla devreye (bağlı olduğumuz devre) zarar verebilir, ancak bu olmadan kapasitans, çıkış voltajı daha kötü olacak - titreşimleri artıracaktır. Bu, darbe ünitesinin bir özelliğidir; analog güç kaynaklarında, devre tasarımı nedeniyle kural olarak çıkış kapasitansı 10 µF'yi geçmez. Böylece, neredeyse sıfırdan onlarca amper ve volta kadar geniş bir yük aralığında çalışabilen evrensel bir laboratuvar anahtarlamalı güç kaynağı elde ediyoruz. Güç kaynağının hem miliamper tüketimiyle test sırasında küçük devrelere güç verirken (ancak burada kısa devre koruması büyük çıkış kapasitansı nedeniyle çok az yardımcı olacaktır) hem de büyük çıkış gücünün olduğu durumlarda kullanıldığında mükemmel olduğunu kanıtladı. elektronik alanındaki yetersiz deneyimim sırasında buna ihtiyacım vardı.
Bu laboratuvar güç kaynağını yaklaşık 4 yıl önce elektroniğe ilk adımımı atmaya başladığım dönemde yapmıştım. Çoğu zaman 10 amperin çok üzerinde çalıştığı (araba akülerini şarj etmek) göz önüne alındığında, bugüne kadar tek bir arıza bile yaşanmadı. Açıklama sırasında üretim süresinin uzun olması nedeniyle bir şeyleri kaçırmış olabilirim, lütfen sorularınızı ve yorumlarınızı yorumlara ekleyin.
Trafo hesaplama yazılımı: ExcellentIT
Makaleye baskılı devre kartları ekliyorum (voltmetre ve ampermetre buraya dahil değildir - kesinlikle herhangi biri kullanılabilir).
Radyo elemanlarının listesi
| Tanım | Tip | Mezhep | Miktar | Not | Mağaza | not defterim | |
|---|---|---|---|---|---|---|---|
| IC1 | PWM denetleyicisi | 494 TL | 1 | Otron mağazasında arayın | |||
| IC2 | Operasyonel amplifikatör | LM324 | 1 | Otron mağazasında arayın | |||
| VR1 | Doğrusal regülatör | L7805AB | 1 | Otron mağazasında arayın | |||
| VR2 | Doğrusal regülatör | LM7905 | 1 | Otron mağazasında arayın | |||
| T1, T2 | Bipolar transistör | C945 | 2 | Otron mağazasında arayın | |||
| T3, T4 | Bipolar transistör | MJE13009 | 2 | Otron mağazasında arayın | |||
| VDS2 | Diyot köprüsü | MB105 | 1 | Otron mağazasında arayın | |||
| VDS1 | Diyot köprüsü | GBU1506 | 1 | Otron mağazasında arayın | |||
| D3-D5, D8, D9 | Doğrultucu diyot | 1N4148 | 5 | Otron mağazasında arayın | |||
| D6, D7 | Doğrultucu diyot | FR107 | 2 | Otron mağazasında arayın | |||
| D10, D11 | Doğrultucu diyot | FR207 | 2 | Otron mağazasında arayın | |||
| D12, D13 | Doğrultucu diyot | FR104 | 2 | Otron mağazasında arayın | |||
| D15 | Schottky diyot | F20C20 | 1 | Otron mağazasında arayın | |||
| L1 | Gaz kelebeği | 100 µH | 1 | Otron mağazasında arayın | |||
| L2 | Ortak mod bobini | 29mH | 1 | Otron mağazasında arayın | |||
| L3, L4 | Gaz kelebeği | 10 µH | 2 | Otron mağazasında arayın | |||
| L5 | Gaz kelebeği | 100 µH | 1 | sarı bir halkada | Otron mağazasında arayın | ||
| L6 | Gaz kelebeği | 8 µH | 1 | Otron mağazasında arayın | |||
| TR1 | Darbe transformatörü | EE16 | 1 | Otron mağazasında arayın | |||
| TR2 | Darbe transformatörü | EE28 - EE33 | 1 | ER35 | Otron mağazasında arayın | ||
| TR3 | Trafo | BV EI 382 1189 | 1 | Otron mağazasında arayın | |||
| F1 | Sigorta | 5A | 1 | Otron mağazasında arayın | |||
| NTC1 | Termistör | 5,1Ohm | 1 | Otron mağazasında arayın | |||
| VDR1 | Varistör | 250V | 1 | Otron mağazasında arayın | |||
| R1, R9, R12, R14 | Direnç | 2,2 kOhm | 4 | Otron mağazasında arayın | |||
| R2, R4, R5, R15, R16, R21 | Direnç | 4,7 kOhm | 6 | Otron mağazasında arayın | |||
| R3 | Direnç | 5,6 kOhm | 1 | gerekli frekansa göre seçin | Otron mağazasında arayın | ||
| R6, R7 | Direnç | 510 kOhm | 2 | Otron mağazasında arayın | |||
| R8 | Direnç | 1 MOhm | 1 | Otron mağazasında arayın | |||
| R13 | Direnç | 1,5 kOhm | 1 | Otron mağazasında arayın | |||
| R17, R24 | Direnç | 22 kOhm | 2 | Otron mağazasında arayın | |||
| R18 | Direnç | 1 kOhm | 1 | Otron mağazasında arayın | |||
| R19, R20 | Direnç | 22Ohm | 2 | Otron mağazasında arayın | |||
| R22, R23 | Direnç | 1,8 kOhm | 2 | Otron mağazasında arayın | |||
| R27, R28 | Direnç | 2,2Ohm | 2 | Otron mağazasında arayın | |||
| R29, R30 | Direnç | 470 kOhm | 2 | 1-2W | Otron mağazasında arayın | ||
| R31 | Direnç | 100Ohm | 1 | 1-2W | Otron mağazasında arayın | ||
| R32, R33 | Direnç | 15 ohm | 2 | Otron mağazasında arayın | |||
| R34 | Direnç | 1 kOhm | 1 | 1-2W | Otron mağazasında arayın | ||
| R10, R11 | Değişken direnç | 10 kOhm | 2 | 3 veya 4 kullanabilirsiniz | Otron mağazasında arayın | ||
| R25, R26 | Direnç | 0,1Ohm | 2 | şöntler, güç, güç kaynağının çıkış gücüne bağlıdır | Otron mağazasında arayın | ||
| C1, C8, C27, C28, C30, C31 | Kapasitör | 0,1 uF | 7 | Otron mağazasında arayın | |||
| C2, C9, C22, C25, C26, C34, C35 | Elektrolitik kondansatör | 47 uF | 7 | Otron mağazasında arayın | |||
| C3 | Kapasitör | 1 nF | 1 | film | Otron mağazasında arayın | ||
| C4-C7 | Kapasitör | 0,01 uF | 4 | Otron mağazasında arayın | |||
| C10 | Kapasitör | 0,47 uF 275 V | 1 | X | Otron mağazasında arayın | ||
| C11 | Elektrolitik kondansatör | 1 µF | 1 | Otron mağazasında arayın | |||
| C12 | Kapasitör | 0,1 uF 275 V | 1 | X | Otron mağazasında arayın | ||
| C13, C14, C19 | Kapasitör | 0,01 uF 2 kV | 3 | e | Otron mağazasında arayın | ||
| C15, C16 | Elektrolitik kondansatör | 2,2 µF | 2 | Otron mağazasında arayın | |||
| C17, C18 | Elektrolitik kondansatör | 470 uF 200 V | 2 | Otron mağazasında arayın | |||
| C20 | Kapasitör | 1 µF 250 V | 1 | film | Otron mağazasında arayın | ||
| C21 | Kapasitör | 2,2 nF 1 kV | 1 | Otron mağazasında arayın | |||
| C23, C24 | Kapasitör | 3,3 nF | 2 | Otron mağazasında arayın | |||
| C29, C32, C33 | Elektrolitik kondansatör | 1000 uF 35 V | 3 | Otron mağazasında arayın | |||
| D1 | Işık yayan diyot | yeşil | 1 | 5 mm veya gösterge gerekmiyorsa sadece bir diyot | Otron mağazasında arayın | ||
| D2 | Işık yayan diyot | kırmızı | 1 | 5 mm veya gösterge gerekmiyorsa sadece bir diyot | Otron mağazasında arayın | ||
| Yapısal elemanlar | |||||||
| Çerçeve | Z4A | 1 | Otron mağazasında arayın | ||||
| Anahtar | 250 V 6 A | 1 | Otron mağazasında arayın | ||||
| Sigorta tutucusu | 1 | Otron mağazasında arayın | |||||
| Priz | 220V | 1 | 220 V ağa bağlantı için | Otron mağazasında arayın | |||
| Çatal | 220V | 1 | 220 V ağa bağlantı için | Otron mağazasında arayın | |||
| Bağlayıcı | 1 | çıkış voltajı için | Otron mağazasında arayın | ||||
| Fan | 12V | 1 | Otron mağazasında arayın | ||||
| Voltmetre | 1 | Otron mağazasında arayın | |||||
| Ampermetre | 1 | Otron mağazasında arayın | |||||
Öğelerin listesini indirin (PDF)
Ekli dosyalar:
- baskılı devre kartları.rar (58 KB)








Yayınlandı:
Değiştirilme: 31.05.2015






Yorumlar (237)
|
Topladım ( 1 ) |
Abone
Для добавления Вашей сборки необходима регистрация
Dahili karşılaştırıcıların dahil olmaması garip.
30 volt ve 10 amperde Yazarın şemasına göre frekansta
duyamıyorsunuz fanın sesi, artık 75 amperlik bir akü için şarj cihazı olarak çalışıyor. İkincisi de aynı şekilde çalışmadı, gıcırtıyı gidermek mümkün olmadı, T3 T4 çok ısındı ta ki uzun süre yaşamaları söylenene kadar.
Programı gerçekten beğendim, ancak gaz kelebeği gıcırtısının üstesinden nasıl geleceğimi bilmiyorum
Ve devreye göre c11 1 uF elektrolitik değil ve hangi voltajda?
Tr1'in en az 3 W güç için tasarlanması gerekir. Ve 0,1'iniz bile olmayacak. Selyavi.