SG6105'te ATX Güç Kaynağı - Laboratuvara Dönüştürme
PWM SG6105 ve benzerlerine dayalı blokların değiştirilmesi çok zordur. Bu çipte bulunan her yerde bulunan korumalar, radyo amatörlerini bu tür birimlerle uğraşmaktan tamamen caydırıyor. Bugün böyle bir soruna basit bir çözümümüz var! SG330 PWM'deki ATX COLORSit 6105U-FNM güç kaynağı, TL494'e bir adaptör kullanılarak laboratuvar kaynağına dönüştürülür.
PWM SG6105'te ATX güç kaynağı - laboratuvara dönüştürme
Son zamanlarda, SG6105'ten TL494'e adaptör hakkında materyaller yayınladık, yardımı ile bir çipi diğeriyle değiştirmek ve can sıkıcı korumalardan kurtulmak çok kolaydı. Bu ayrı modül, SG6105'in standart yerine monte edildi ve ünitenin ana kartında minimum ayarlamalara izin verdi.
PWM SG6105'teki üniteyi bir laboratuvara dönüştürürken, ana kartta biraz daha fazla değişiklik olacak, ancak her şey sırayla.
Ünitenin ana kartında değişiklik
Aşağıda SG330 PWM'deki COLORSit 6105U-FNM'nin bir diyagramı bulunmaktadır, bu ünitenin kartı şematik ile tamamen aynıdır.
İlk adım, artık ihtiyacımız olmayan bazı bileşenleri kaldırmaktır. Bu esas olarak +5, +3.3, -12 V güç otobüsleri, SG6105 koruma kablo demeti elemanları ve servis terminalleri için geçerlidir.
PCB'deki ek değişiklikler, değişiklik numaralandırması ile kırmızı kenarlıklarla vurgulanan yeni öğelerle ilgilidir.
- +12 V veri yolu geri besleme dirençleri için yeni değerlerin takılması. Bu, R28 için 48 kΩ, R23 için 12 kΩ'dur.
- TL15'ün güç için en az 17 V'a ihtiyacı olduğundan, PWM'nin güç kaynağını 494-7 V voltajlı görev istasyonunun başka bir sargısına geçirin (yani R22'yi D12 diyotuna bağlayın)
- Fan, ek bir LM7812 dengeleyici kullanılarak aynı sargıdan da beslenmelidir.
- Nominal değeri 0,1 ohm, gücü 10 W olan üç direnç kullanan bir akım ölçüm şöntü takıyoruz. Ünite çıkışının negatif terminali şimdi şanttan sonra olacaktır.
- Çalışma voltajı en az 25 V ve nominal değeri 1000-2200 μF olan yeni bir çıkış elektrolitik kondansatörü sağlanmalıdır.
- R27 yük direncini 1 kΩ'luk biraz daha yüksek bir dirençle değiştirmek daha iyidir.
- Ünite +12 V veri yolunda düşük güçlü bir diyot düzeneği kullanıyorsa, paralel olarak başka bir tane takılması veya daha güçlü bir tane ile değiştirilmesi arzu edilir.
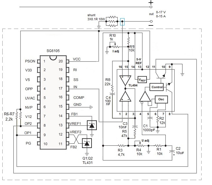
Mevcut Düzenleme için SG6105 - TL494 Adaptörü
Akım regülasyonu için SG6105 - TL494 adaptör devresi şunları içerir: Gerekli çemberli TL494 ve iki TL431. Aslında, görev için kullanılan sadece bir TL431 ile idare edebilirsiniz. SG6105'teki blok şemalar farklı olduğundan, TL431'den hangisinin bekleme tarafından kullanıldığını ve hangisinin 3.3 V veri yolu için olduğunu önceden söylemek imkansızdır, çok yönlülük için her ikisinin de tutulmasına karar verilmiştir.
TL16'ün 494. ayağı, şöntlerden (mavi çerçeve ile işaretlenmiş) sonra negatif çıkışa bağlanır, pimin 16. bacağa bağlantı yeri de şemada işaretlenir ve gösterilir. R4 voltajı düzenlemek için kullanılırken, R10 akımı düzenlemek için kullanılır. Boru hesaplaması 0-17 V çıkış voltajı için yapılır; 0-15 bir Mevcut kontrol adaptörünün imzası makalenin sonunda indirilebilir olacaktır.
15 A'lık akımlara ihtiyaç duyulmuyorsa, 0,1 Ohm'luk akım ölçüm dirençlerinden birini çıkarmak yeterlidir (üç yerine iki tane kullanın), iki ile - maksimum çalışma akımı yaklaşık 10 A olacaktır.
Adaptörümüz böyle çıktı.
Bloğun Montajı
SG6105'i değiştirmek için bir panel kullanmanız gerekir. Son montajdan sonra, adaptörün termal silikon veya başka bir şey kullanılarak konektöre sıkıca sabitlenmesi arzu edilir.
Üç adet 10W direncin büyük boyutu nedeniyle, bunları soğutucuya monte etmek çok uygundur, ayrıca LM7812'yi soğutucuya da kurmalısınız çünkü fan çalışırken çok ısınacaktır.
Вот так выглядит блок после удаления лишних компонентов и готовый к установке переходника.
Подключаем наш переходник в панельку микросхемы SG6105.
Такой переходник должен подходить практически ко всем блокам питания на SG6105, но необходимо быть внимательным при удалении ненужных компонентов и внимательно вникнуть в отличия схем и нумерации деталей.
Тесты
Поскольку вольтамперметр с диапазоном на 20А еще не приехал, используем мультиметр в качестве амперметра и простенький цифровой вольтметр, который питается от линии, на которой меряет напряжение (из-за этого его показания и пропадают при напряжении ниже 3 В).
Немного слов о стабильности напряжения. Пульсации 0,1 В с периодом 10 миллисекунд на максимальном токе 15 А и выходном напряжении 17 В.
Печатку платы переходника в формате lay можно скачать по ссылке ниже:













