Bu yazıda, 300 ila 0V voltaj regülasyonu ve 30 ila 0A akım regülasyonu ile 10W'a kadar kapasiteye sahip bir güç kaynağının nasıl yapıldığını öğreneceksiniz.
Güç kaynağının amacı.
- 0 ila 30V arasındaki voltajlar ve 10A'ya kadar akım tüketimi için tasarlanmış çeşitli cihazlar için güç kaynağı.
- 100 saate kadar kapasiteli parmaktan araç akülerine kadar her türlü pilin şarj edilmesi.
Ana özellikleri.
- Maksimum çıkış gücü 300W'tır.
- Çıkış voltajı 0 ila 30V arasında kademesiz olarak ayarlanabilir.
- Çıkış akımı 0 ila 10A arasında kademesiz olarak ayarlanabilir.
- Çıkış voltajı dalgalanması yaklaşık 50mV'dir.
- Kısa devre koruması.
- Zorla soğutma.
- Besleme şebekesinin voltajı 180V'dir... 245B.
Güç kaynağı, bir itme-çekme yarım aks şemasına göre monte edilir. Buradaki makaledeki şema esas alınmıştır. Kontrol modülü, güç kaynağı ve çıkış transformatörü için PCB'de küçük değişiklikler yapıldı.
Güç ünitesinin şeması:
Güç Ünitesi PCB:
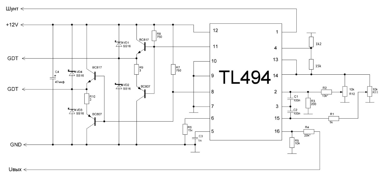
Kontrol modülü şeması:
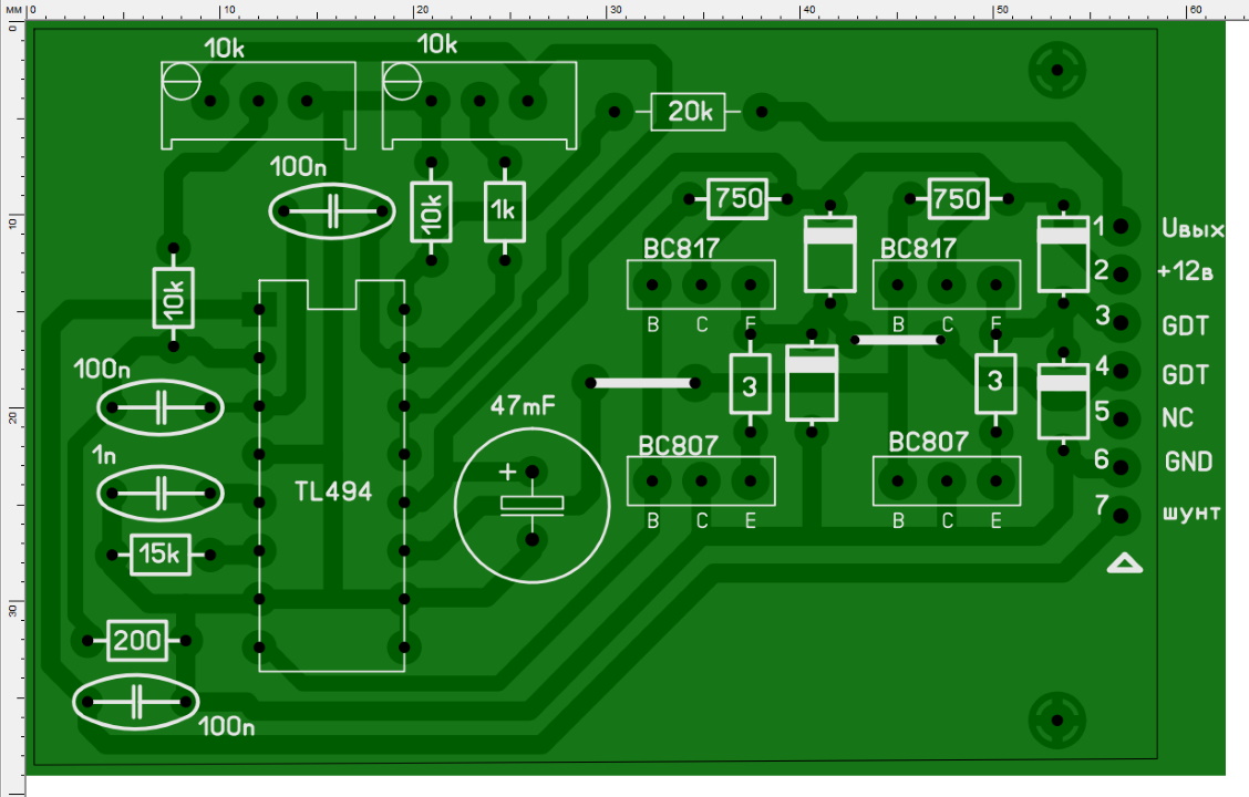
Sıradan Parçalar için Kontrol Modülü PCB'si (SMD altındaki orijinal makalede):
Kontrol panosunun güç kaynağı, TV'den gelen bekleme transformatöründe yapılır. İkincil sargısındaki alternatif voltaj 16V'dir ve şebeke voltajı 230V'dur, bu da 180V ila 245V arasında bir şebeke voltajı aralığı ile çalışmak için yeterlidir.
7812 yongası dengeleyici olarak kullanılır.
Eşleşen transformatör, 2000x16x10.4mm boyutunda 5NM ferrit halka üzerine sarılır. Rüzgar 30 üç telde döner. Ardından, şemada gösterildiği gibi sargının başlangıcını dikkate alarak lehimleyin. Dönüşlere uyum sağlamayı kolaylaştırmak için, birincil sargı için çift yalıtımlı bir tel ve iki ikincil, sıradan sargı teli kullandım.
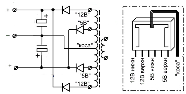
7700A VSK-01S çıkış transformatörü bir bilgisayar güç kaynağından kullanılır. Sökmeden önce birincil sargısının endüktansı 9360 μH, 12 volt 1600 μH ve 5 volt 686 μH'dir. Yapıştırılmış çekirdek kaynar suda demonte edilir. Birincil sargının yarısı 19 tur Ø 0,75 mm ile sarılır. Daha sonra iki ikincil 4 tur Ø 0,75 mm x 2 artı 3 dönüş Ø 0,75 mm x 6.
Yara 4 tur:
Kalan 3 yörünge:
Bilgisayar PSU'sunun 7700 transformatörünün şeması şöyle görünür:
Yani, 5 voltluk sargının bir kısmı 6 kabloya ve 12 voltluk kısım 2 kabloya sarılır. Toplamda, her sargı 7 dönüş içerir.
Kontrol etmek için Yaşlı Adam programındaki transformatörü hesaplayalım:
Hesaplama, gerçek bir transformatör ile hemen hemen aynıdır. Birincil 41 dönüş. İlk 19 turun yarısında sarsıldım. 12V 7 tur için ikincil, 30 için Ø 14.0mm x 75 tel ile her yarıya 2 tur saracağım. Sonunda, ilk yarıyı sardığım birincilin ikinci yarısını üste sararım. Sargılar arasında folyo ekranlar vardı. Her şeyi olduğu gibi koydum.
Güç kaynağının başlatılması.
Alan etkili transistörler lehimlenmemiştir.
İlk olarak, kontrol panosuna 12V uyguladım. Çıkışı vücuda bir "şant" ile bağlandı. Bir osiloskop ile her kanalın çıkışındaki darbeleri kontrol ettim. Şöyle görünmeli:
Sonra saha lehimlerini mühürlüyoruz. Kontrol panosuna 12 volt verilir. Şebeke gerilimi yerine, akım sınırlı bir güç kaynağı ünitesinden güç parçasına en az 55V'luk bir DC gerilimi sağlıyoruz. Akım limitini 1A olarak ayarladım. Güç kaynağının çıkışı yaklaşık 5... 7C. Sahadaki dalga formlarını ve çıkış diyotlarını kontrol edin. Voltajı düzenlemeye çalışıyorum. Her şey küçük sınırlar içinde çalışmalıdır. Her şey yolundaysa, kapatın ve yaklaşık 100W'lık bir akkor ampulle şebekeye bağlayın.
Voltaj regülasyonunu kontrol edin. Gerekirse, kontrol panosundaki R4 derecesini değiştirerek veya bir trim direnci kullanarak düzeltiriz (PCB'de yaklaşık 20'lik bir trim direnci için bir yer vardır... 50 kOhm). Ardından akım regülatörü minimuma ayarlanır, çıkış kablolarına kısa devre yaptırın ve kısa devre akımını artırmaya başlayın. Bir gıcırtı göründüğünde veya lamba düşük akımlarda yandığında, kapatın ve C1 derecesini iki katına çıkarın. Akımı tekrar artırmayı deneyin. 7'ye kadar bir akımda... 8A lamba için bile yanmamalıdır. Akım limitinin limitleri R2 nominal değeri ile değiştirilebilir.
Çalışmanın kararlılığını artırmak için, pakete 4.494 pinlerinden takılan bir bölücüden TL0 yongasının 28. pinine 13.14V'luk bir voltaj uygulayarak çıkış darbelerinin ölü süresini artırdım. Kontrol modülü şeması bu dirençleri gösterir.
Проверяем работу блока на разных нагрузках. Оцениваем пульсации и падение напряжения под нагрузкой.
Конструктивно блок питания размещен в корпусе компьютерного блока питания. Использован его сетевой разъем, выключатель и вентилятор. Для индикации применен популярный вольтметр-амперметр 100В/10А. Вентилятор и индикатор запитаны от источника питания модуля управления. Для снижения шума вентилятор запитан через сопротивление 51 Ом, 0,5 Вт.
Материал статьи продублирован на видео.










Поправьте в тексте про 13,14 ногу. Где про делитель пишете и мертвое время. 13,14 не на земле.
Спасибо за комментарий. Да, 13,14 не на земле. В тексте сказано, что между выводами 13,14 и землей установлен делитель. Со средней точки делителя напряжение 0,28В идет на 4 ногу для увеличения мертвого времени. Это все показано на схеме модуля управления.
А где скачать печатку мод упр.на дип елементах.?