|
|
Author |
Message |
|---|
ukixx
Level 21

Location: Parczew
Last Visited: 13 Jun 2023
|
#1
22 Jul 2016 02:22Positive voted
Topic author
Re: Zasilacz warsztatowy 0-30V 0-7A z zasilacza ATX
|
|
|
|
Witam.
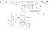
Chciałbym zaprezentować zasilacz warsztatowy zrobiony z zasilacza ATX z kontrolerem TL494 (KA7500). Konstrukcja powstała na szybko z tego co miałem pod ręką więc jeśli chodzi o wykonanie to nie ma rewelacji. Płytki nie projektowałem, wykorzystałem tą co była w zasilaczu. Prace zacząłem od usunięcia wszystkich niepotrzebnych i wymagających modyfikacji elementów, czyli usunięcia diod, dławików i kondensatorów strony wtórnej oraz wszystkich elementów powiązanych z nóżkami 1,2,3,4,15,16 kontrolera, a następnie składałem wszystko zgodnie ze schematem.
Zamieszczony schemat jest modyfikacją przykładowego schematu zasilacza ATX więc może się nieco różnić jeśli chodzi o część zawierającą przetwornicę Standby, użyte klucze, czy też wartości niektórych elementów, dlatego na schemacie zaznaczyłem elementy stawiając znak "xx" przy tych, które należy zmienić lub które dodałem.
Zasilacz wyposażyłem w dwa potencjometry liniowe 10k, jeden służy do regulacji napięcia, drugi to ograniczenie prądowe. Pomiar prądu odbywa się między odczepem środkowym transformatora a masą przy użyciu rezystora pomiarowego 5mΩ/2W. Napięcie na rezystorze pomiarowym jest ujemne względem masy dlatego trafia na nóżkę 15 TL494, wzmacniacz operacyjny LM358 służy jedynie do wzmocnienia sygnału z potencjometru regulacji prądu. Dołożony rezystor 36k przy nóżce 6 służy tylko do podniesienia częstotliwości przetwornicy z 30kHz do ok 45kHz bez niego zasilacz też będzie działał.
Transformator główny do pierwszego uruchomienia zostawiłem bez modyfikacji, uruchomiłem zasilacz i gdy wszystko zaczęło działać przekonfigurowałem połączenia uzwojeń wtórnych. Operacja ta nie jest konieczna, ale wtedy maksymalne napięcie wyjściowe można bezpiecznie regulować do ok 24V. Transformator jaki miałem posiadał 4 uzwojenia wtórne na stronę po 3zw połączone równolegle i do tego dołożone szeregowo jedno uzwojenie 4zw. Uzwojenia rozdzieliłem i połączyłem tak jak na schemacie.
Dławik wykorzystałem ten co był, na początek usunąłem z niego wszystkie niepotrzebne uzwojenia i zostawiłem tylko to co było od linii 12V, było tam 24zw więc dowinąłem jeszcze 6. Rdzeń tego dławika to T106-26 i przy 30zw powinien mieć ok 83uH i prąd nasycenia 8.6A
Przetwornica Standby musi zostać w niezmienionej postaci i zawierać wszystkie elementy niezbędne do jej prawidłowej pracy więc nie należy jej modyfikować, a na schemacie jest narysowana w postaci uproszczonej i zaznaczyłem tylko miejsce, z którego należy wziąć zasilanie do kontrolera oraz wentylatora.
Zasilacz wyposażyłem w moduł cyfrowego woltomierza, zamiast gniazd bananowych dałem zwykłą kostkę elektryczną. Zasilacz pracuje stabilnie, jest odporny na zwarcie zacisków wyjściowych.
|
|
| Back to top |
|
|
gabik001
Level 37fotografia

Location: Des Plaines
Last Visited: 27 Sep 2023
|
#2
22 Jul 2016 06:37
Re: Zasilacz warsztatowy 0-30V 0-7A z zasilacza ATX
|
|
|
|
Jako support dla prawdziwego zasilacza laboratoryjnego nadaje się idealnie. Spora wydajność prądowa na plus.
|
|
| Back to top |
|
|
Piotr160292
Level 38
|
#3
22 Jul 2016 13:01
Re: Zasilacz warsztatowy 0-30V 0-7A z zasilacza ATX
|
|
|
|
MEGA, a jakiż to zasilacz udało Ci się tak zajefajnie przerobić? Też właśnie chciałem sobie zrobić taki zasilacz, ale z AT, jednak próba zakończyła się fiaskiem, bo okazało się, że po odłączeniu zasilania od sterownika i podłączeniu zewnętrznego z zasilacza na 7812 , zasilacz nie chciał wystartować.  Ja osobiście zamiast bocznika dałbym ACS712 prod. Allegro...
|
|
| Back to top |
|
|
Kiermasz
Level 19

Location: Szczecin
Last Visited: 22 Jul 2023
|
#4
22 Jul 2016 16:29
Re: Zasilacz warsztatowy 0-30V 0-7A z zasilacza ATX
|
|
|
|
Witam.
Zgadzam się z wypowiedzią Kolegi gabik001. To nie jest zasiłka labo  To przetwornica z regulowanym Vout.
Ponadto uważam, że dobrym pomysłem byłoby przepakowanie tego w jakąś ciekawszą obudowę, bo o ile to urządzenie jest praktyczne, tak wygląda jak prowizorka zrobiona na prędce - taki urok ATXów
Ot chociażby wykorzystać jakąś pancerną obudowę od wojskowego sprzętu typu zasilacze 6V itp. Są dostępne w cenach ~3.50/kG (wojskowe absurdy) jak dobrze poszukać po punktach zajmujących się demontażem owego sprzętu i sprzedających Stary/Uazy/Czołgi itp. Mają często sporo takiego sprzętu ze zdemontowanych "bud".
Ja osobiście w poszukiwaniu takich frykasów muszę pokonać ~250km
Dołączam obrazek poglądowy:
|
|
| Back to top |
|
|
ukixx
Level 21

Location: Parczew
Last Visited: 13 Jun 2023
|
#5
22 Jul 2016 18:46
Topic author
Re: Zasilacz warsztatowy 0-30V 0-7A z zasilacza ATX
|
|
|
|
@Piotr160292 zasilacz to CODEGEN 300W, mam jeszcze z 3szt. ale tylko jeden z nich jest taki sam, pozostałe dwa trochę bardziej wybrakowane. Generalnie nie ma znaczenia jaki typ, oby tylko był na kontrolerze TL494 i miał trafo EI33, te z EI28 też będą działały ale więcej jak 4-5A z nich bym nie ciągnął.
Zasilacz AT też możesz w ten sposób przerobić, tylko trafo musi zostać niezmienione albo trzeba dołożyć dwie diody FR107 do zasilania kontrolera z odczepów 6zw (3zw+3zw).
ACS712 nie nadaje się na bocznik regulacji prądu ponieważ jest zbyt wolny, można jedynie zbudować na nim amperomierz i użyć drugiego wyświetlacza jako wskaźnika.
@Kiermasz zasilacz posiada ograniczenie prądu i regulację napięcia, jednak duża pojemność na wyjściu nie jest mile widziana w sprzęcie laboratoryjnym, zaletą tego zasilacza jest prosta konstrukcja i funkcjonalność ale można by się pokusić o wzbogacenie go o liniowy ogranicznik prądu.
Obudowa ze starego sprzętu wojskowego była by fajnym dodatkiem  miejsca dużo i można by wtedy dołożyć drugi zasilacz z ujemnymi napięciami, w tym dokładając dwie diody i drugie uzwojenie na dławiku można zrobić symetryczny jednak wtedy trzeba by przeprojektować układ regulacji prądu.
|
|
| Back to top |
|
|
Piotr160292
Level 38
|
#6
22 Jul 2016 22:22
Re: Zasilacz warsztatowy 0-30V 0-7A z zasilacza ATX
|
|
|
|
A, to jednak, kurczę dobrze wyczułem temat, że to Codegen.  Oczywiście jak najbardziej zdaję sobie sprawę, że to może być każdy jeden zasilacz, byle sterownik się zgadzał, bo mam świadomość, że one nadają się najlepiej do przeróbek. Jeżeli chodzi o zasilacz AT, to nie wiem, może i faktycznie się da. Nie mniej jednak mój ST-230WHF Seventeam'a nie pozwolił się przerobić. Odłączyłem mu diodę przez którą idzie auxilary supply do sterownika i normalnie podłączyłem plus z 7812 do 12 pinu, minus do pinu 7. i dupa - wentylator tylko drgnął i na tym się jego reakacja skończyła. Pokombinuje dzisiaj i jutro - może się uda. W sumie nie wiedzieć czemu miałem taką akcję, że zasilacz działał przez jakieś 15 sekund i się wyłączył, więc może coś się spaliło?? Ja akurat nie potrzebuję prądu 7A i U 30V, więc mnie taki 230W zasilacz wystarczy. Dodano po 1 [godziny] 13 [minuty]: O, no i doszedłem... Potek od U wyzionął mi ducha i tu jest problem...
|
|
| Back to top |
|
|
ukixx
Level 21

Location: Parczew
Last Visited: 13 Jun 2023
|
#7
23 Jul 2016 00:11
Topic author
Re: Zasilacz warsztatowy 0-30V 0-7A z zasilacza ATX
|
|
|
|
Jak robiłem prostownik z zasilacza ATX i usunąłem Standby to przerobiłem go na AT i też bez problemu działał, regulacja prądu również, nawet przy zwarciu przewodów wyjściowych, napięcie zasilania kontrolera wzrasta wtedy do ok 26-29V.
Zasilacz AT od ATX poza przetwornicą Standby różni się tylko sposobem zasilania kontrolera (zasilanie brane jest z prostownika wyjściowego przed dławikiem) oraz dodatkowymi rezystorami wzbudzającymi 330k między C a B tranzystorów głównych.
|
|
| Back to top |
|
|
PEPE64
Level 16
Location: PABIANICE
Last Visited: 22 Sep 2022
|
#8
23 Jul 2016 01:41
Re: Zasilacz warsztatowy 0-30V 0-7A z zasilacza ATX
|
|
|
|
Witam. Wiem że na szybko, wiem że tanio, wiem że najważniejsze że działa, ale wystarczyłby kawałek laminatu i dwa zaciski na płytę czołową i już cieszy oko. Pozdrawiam.
|
|
| Back to top |
|
|
Piotr160292
Level 38
|
#9
23 Jul 2016 13:01
Re: Zasilacz warsztatowy 0-30V 0-7A z zasilacza ATX
|
|
|
|
Oj tam, przestań się czepiać detali... Zrób lepsze, jak Ci się nie podoba... Najprościej jest krytykować, a robić nie ma komu... Jakby nie było to jest zasilacz do użytku własnego, nie wystawę/produkcję masową, więc nie musi być super piękny. Poza tym ja jestem zdania, że dane urządzenie elektryczne/elektroniczne przede wszystrkim ma działać, wygląd jest drugorzędny.
Dodano po 2 [godziny] 11 [minuty]:
Hmm, tak jeszcze z ciekawości do autora: nie boisz się tak właściwie, że ten Codegen może Ci wybuchnąć i spalić odbiornik energii z tego zasilacza? Chyba sam wiesz, że te zasilacze potrafiły puścić pomimo zabezpieczeń 18V i usmażyć na węgiel całego kompa? Osobiście wolałbym też podmuchać na zimne i powymieniać mu wszystkie elektrolity bez względu na stan na nowe, markowe...
|
|
| Back to top |
|
|
olinek2
Level 23

Location: Starachowice/Wrocław
Last Visited: 17 Sep 2023
|
#10
23 Jul 2016 22:34
Re: Zasilacz warsztatowy 0-30V 0-7A z zasilacza ATX
|
|
|
|
Oczywiście wiesz, czym było spowodowane te 18V na wyjściu?
Tam są elektrolity przy sterowaniu baz tranzystorów i się rozsychały, jak się ich pilnuje to wszystko jest ok z nimi, choć zasilacze jakością nie grzeszyły.
|
|
| Back to top |
|
|
Piotr160292
Level 38
|
#11
23 Jul 2016 22:54
Re: Zasilacz warsztatowy 0-30V 0-7A z zasilacza ATX
|
|
|
|
Wiem, wiem... Dlatego właśnie napisałem o dmuchaniu na zimnie i zmianie elektrolitów na markowe. Fakt - jakość wykonania wiele do życzenia pozostawia, ale nasuwa się zasadnicze pytanie - co oczekiwać za te pieniądze... To jest budżetówka wykonana aby tylko działało, więc wiadomo, że szału nie będzie i spodziewać się jakości FSP czy Tagana nie ma co...
|
|
| Back to top |
|
|
ukixx
Level 21

Location: Parczew
Last Visited: 13 Jun 2023
|
#12
24 Jul 2016 01:10
Topic author
Re: Zasilacz warsztatowy 0-30V 0-7A z zasilacza ATX
|
|
|
|
No to daliście mi teraz do myślenia.. Na tyle zasilaczy ze złomu co przeszło przez moje ręce to nie dość, że ciężko było trafić na padnięty to jeszcze zrobiłem kilka prostowników i żadnym nie było problemów.
U brata w kompie był chyba Tracer i spuchły w nim kondensatory ale po ich wymianie zasilacz dosłownie zgłupiał. W kompie czy też bez obciążenia nawet nie ruszył a jak mu dałem żarówkę H4 na linię 5V to sam podnosił napięcia aż do zadziałania overvoltage.
Generalnie to bardzo ciężko jest zmusić zasilacz to przekroczenia poziomu napięć, nad wszystkim i tak czuwa kontroler, a że pracuje w trybie napięciowym to w przypadku gdy napięcie jest wyższe od zadanego to nie wysteruje tranzystorów. Co innego w AT, gdzie uszkodzenie rezystora 22Ω powoduje wejście przetwornicy w stan samowzbudnej i generowanie na wyjściach maksymalnych możliwych napięć.
Ale faktycznie te kondensatory przy bazach mogą powodować problemy. Jak zbudowałem zasilacz 14V 6A i zamknąłem go w szczelnej puszce to po całym dniu pracy na 50% obciążenia zagotował się i wybuchł, okazało się że tranzystory zabrały ze sobą również diodę 1N4148 i kondensator przy bazie dostał zwarcia, efekt był taki że zasilacz piszczał pod obciążeniem ale napięcie trzymał.
To może profilaktycznie dać w to miejsce jakieś MLCC 4-10µF zamiast tych elektrolitów
|
|
| Back to top |
|
|
kwazar
Level 29

Location: Tarnów
Last Visited: 26 Aug 2023
|
#13
24 Jul 2016 01:37
Re: Zasilacz warsztatowy 0-30V 0-7A z zasilacza ATX
|
|
|
|
Ciekawa konstrukcja, oczywiście myślę, o schemacie ideowym. Sam również robiłem wiele różnych przeróbek, ale ta mi się podoba, jest trochę inna.
Mam jednak małe pytanie. Do czego jest rezystor 1k przy wejściu 16, skoro i tak jest zwarty do masy?
|
|
| Back to top |
|
|
Piotr160292
Level 38
|
#14
24 Jul 2016 01:57
Re: Zasilacz warsztatowy 0-30V 0-7A z zasilacza ATX
|
|
|
|
Pozwolę sam odpowiedź, bo odp. znam. Jest to zabezpieczenie wzmacniacza błędu. Gdyby tego rezystorka nie było, ew. zwarcie mogłoby spowodować wyłączenie tego wzmacniacza i jak nie trudno się domyślić zasilacz zostałby pozbawiony ograniczenia prądowego,.
|
|
| Back to top |
|
|
ukixx
Level 21

Location: Parczew
Last Visited: 13 Jun 2023
|
#15
24 Jul 2016 03:14
Topic author
Re: Zasilacz warsztatowy 0-30V 0-7A z zasilacza ATX
|
|
|
|
Zauważ, że sygnał z rezystora pomiarowego poprowadzony jest oddzielną parą przewodów, najlepiej gdyby to była żyła w ekranie ale u mnie jest to skrętka. gdyby tego rezystora nie było to ewentualna przerwa w dolnym przewodzie pomiarowym powodowała by wiszenie nóżki 16 "w powietrzu", zwora zamiast tego rezystora powodowała by tzw. pętlę mas i zasilacz nie mógłby stabilnie pracować.
|
|
| Back to top |
|
|
kwazar
Level 29

Location: Tarnów
Last Visited: 26 Aug 2023
|
#16
24 Jul 2016 11:55
Re: Zasilacz warsztatowy 0-30V 0-7A z zasilacza ATX
|
|
|
|
Jeżeli jako zabezpieczenie to w porządku, bo w normalnej pracy nie rozumiałem jego zastosowania.
Dziękuję Wam za wyjaśnienie.
Jeszcze jedna rzecz mnie nurtuje. Przy stabilizacji napięcia wszystko rozumiem, napięcie odniesienia na p.2, napięcie z wyjścia na p.1.
Jednak jak byś mógł ukixx wyjaśnić krótko jak działa stabilizacja prądu ze wzmacniaczem operacyjnym. Tu na jednym p.15 spotykają się sygnały odniesienia i pomiarowy z rezystora 5mR?
Ja zawsze dawałem na jednym napięcie odniesienia, a na drugim napięcie z rezystora pomiarowego...
|
|
| Back to top |
|
|
ukixx
Level 21

Location: Parczew
Last Visited: 13 Jun 2023
|
#17
24 Jul 2016 12:41
Topic author
Re: Zasilacz warsztatowy 0-30V 0-7A z zasilacza ATX
|
|
|
|
Napięcie z rezystora pomiarowego przy 7A jest ujemne i wynosi -35mV, komparator prądu (15,16) pracuje na potencjale 0V (16), aby na 15 pojawiło się 0V to na rezystorze 100Ω musi odłożyć się wtedy 35mV więc trzeba dać rezystor podciągający, sterowanie odbywa się sygnałem 0-5V dlatego rezystor ten ma 13k.
Jeżeli prąd obciążenia jest niższy od zadanego to napięcie na nóżce 15 jest większe od 0V i ograniczenie prądu jest nieaktywne, wzrost prądu obciążenia powoduje spadek napięcia na nóżce 15 i w momencie osiągnięcia 0V układ przechodzi do trybu ograniczenia prądowego.
Generalnie zasada jest taka sama jak przy stabilizacji napięcia tylko napięcie pomiarowe jest ujemne.
Ten sposób stabilizacji prądu ma tą zaletę, że zacisk ujemny jest na potencjale masy, co znacznie upraszcza konstrukcję.
|
|
| Back to top |
|
|
kwazar
Level 29

Location: Tarnów
Last Visited: 26 Aug 2023
|
#18
24 Jul 2016 14:55
Re: Zasilacz warsztatowy 0-30V 0-7A z zasilacza ATX
|
|
|
|
Aha... Teraz wszystko jasne, wielkie dzięki za szkolenie. Jakoś nie mogłem wcześniej załapać tej stabilizacji z ujemnym napięciem.
|
|
| Back to top |
|
|
andrzej123456
Level 14
Location: legnica
Last Visited: 27 Sep 2023
|
#19
06 Aug 2016 13:29
Re: Zasilacz warsztatowy 0-30V 0-7A z zasilacza ATX
|
|
|
|
Jeden z lepszych pomysłów na elektrodzie.Gratulacje.Zasilacze tego typu są za grosze na złomowiskach.Idąc tą metodą można dać im drugie życie w wielu dziedzinach w których potrzebny jest zasilacz o małej masie i dużym prądzie wyjściowym.Kalkulacja cenowa jest bardzo pozytywna:atx na szrocie ok10zł a zasilacz 12v/10a to kilka stówek.Muszę przyznać że sam osobiście pracowałem nad wykorzystaniem zasilacza komputerowego jako prostownik samochodowy i zasilacz do zasilania wkrętarki aku przy uszkodzonych akumulatorach.
Jednak nie pokonałem tego tematu.Ze względu na różnorodność wersji przyjąłęm podstawowe założenie że główny problem modernizacji zasilacza komputerowego na wyższe napięcia i prądy to brak odpowiednich uzwojeń na trafie głównym natomiast stabilizacja i zabezpieczenie nad prądowe występuje standardowo w każdym atx.Idąc tym kierunkiem próbowałem podłączyć na wyjściu uzwojenia 5v(które jest najbardziej wydajne prądowo) dodatkowe trafo które transformuje na wyższy poziom napięcia .W ten sposób unika się ingerencji w trafo oryginalne i jest to proces łatwiejszy fizycznie do realizacji a przede wszystkim uniezależnia nas od wersji zasilacza.Większość zasilaczy posiada trafory ferrytowe w wersji z rdzeniem typ - e-i ingerencja w uzwojenia jest tam naprawdę utrudniona.Niestety praca zasilacza z dodatkowym trafem przy dużym obciążeniu była nie stabilna i kończyła się uszkodzeniem!!!. Może ktoś takie testy już realizował?
Jeszcze raz duże ok.
|
|
| Back to top |
|
|
ukixx
Level 21

Location: Parczew
Last Visited: 13 Jun 2023
|
#20
07 Aug 2016 01:43
Topic author
Re: Zasilacz warsztatowy 0-30V 0-7A z zasilacza ATX
|
|
|
|
Każdy zasilacz ATX da się bezpiecznie podkręcić do 24V bez ingerencji w trafo główne. Jedyne co w takim przypadku trzeba zrobić to usunąć niepotrzebne linie (w szczególności 3.3V) i dać kondensatory na odpowiednio wyższe napięcie. Dobrze też robi podwyższenie częstotliwości przetwornicy do ok. 40-50kHz, wtedy jest mniejsze ryzyko nasycenia rdzenia w trafie.
Do przeróbki najlepiej nadają się zasilacze (większość z tzw. "czarnej listy") wyposażone w kontroler TL494 (KA7500), pozostałe z kontrolerami SG6105, 2003, 2005, itp. też powinny działać ale jest z tym więcej zabawy i kłopotu gdyż te kontrolery zawierają wewnątrz zabezpieczenia, które pasowało by usunąć, a tak trzeba je obejść. Cała istota działania zasilacza opiera się na wysterowaniu dwóch małych tranzystorów (przeważnie 2SC945) z wyjść kontrolera więc najlepszą i najpewniejszą metodą było by zastąpić takie kontrolery kawałkiem płytki z TL494 (w tym przypadku nawet "pająk" będzie działał) i całość złożyć w konfiguracji zasilacza AT.
Co do zabezpieczeń zasilaczy AT/ATX to niestety ale w większości nie posiadają zabezpieczenia nadprądowego, jedynymi zabezpieczeniami są nad- i pod- napięciowe oraz przekroczenia mocy maksymalnej, jak wiadomo moc jest iloczynem prądu i napięcia więc jeżeli zasilacz ma limit 300W, a max prąd z linii 12V wynosi 10A to w takim zasilaczu zanim zadziała zabezpieczenie ograniczające moc maksymalną to zasilacz będzie próbował dać 25A, a to powoduje nasycenie dławika i wybuch tranzystorów.
|
|
| Back to top |
|
|
Piotr160292
Level 38
|
#21
07 Aug 2016 11:03
Re: Zasilacz warsztatowy 0-30V 0-7A z zasilacza ATX
|
|
|
|
| ukixx wrote: | | najlepszą i najpewniejszą metodą było by zastąpić takie kontrolery kawałkiem płytki z TL494 |
To właśnie nie jest dobry pomysł, ze względu na to., że w tym momencie może siać zakłóceniami...
|
|
| Back to top |
|
|
ukixx
Level 21

Location: Parczew
Last Visited: 13 Jun 2023
|
#22
07 Aug 2016 11:53
Topic author
Re: Zasilacz warsztatowy 0-30V 0-7A z zasilacza ATX
|
|
|
|
Jakimi zakłóceniami  Skąd miały by niby się brać  Kontroler to jest sterownik, którego zadaniem jest trzymanie parametrów napięcia wyjściowego i nie ma żadnego znaczenia jaki jest jego model. Kontroler SG6105 to nic innego jak TL494 bez jednego komparatora PWM z dodatkowym LM339 i kilkoma rezystorami wewnątrz (czyli praktycznie wszystkimi elementami zasilacza znajdującymi się wokół TL494) oraz dwoma "zenerkami" TL431, pozostałe (2003, 2005) to wybrakowane wersje SG6105. Reszta zasilacza to dokładnie to samo (wyjątek stanowią zasilacze w topologii forward z kontrolerami UC3842, UC3843, UC3844).
|
|
| Back to top |
|
|
jack63
Level 43chłodnictwo i klimatyzacja, automatyka hvac & bms
Location: Kraków
Last Visited: 28 Sep 2023
|
#23
07 Aug 2016 13:08
Re: Zasilacz warsztatowy 0-30V 0-7A z zasilacza ATX
|
|
|
|
Bardzo ciekawy projekt. Zrobiony z głową. Gratulacje.
Kwestie estetyczne również mnie nie interesują pod warunkiem zachowania bezpieczeństwa ludzi i sprzętu zasilanego.
Poświęciłeś sporo czasu na poznanie i dopracowanie układu. Znasz go i masz praktyczne doświadczenia, więc zapytam:
1. Czy oglądałeś przebiegi napięć i prądów w ważnych punktach układu? Mógłbyś opisać "wrażenia" ?
2. Jak zachowuje się zasilacz przy szybkim ostrym zwarciu? Chodzi o prądy chwilowe tranzystorów mocy. Czy dławik wyjściowy "wystarcza"? Czy nie przydałoby się ograniczenie dla każdego cyklu opisane w opacowaniach dla TL494 ?
3. Jak ma się sprawa z ew. przepięciami i ich wpływem na diody wyjściowe. Szczególnie dla wersji 24V.
4. Czy myślałeś o zmianie diod na Schotky dla mniejszych napięc wy. Mniejsze napięcia przewodzenia a przez to mniej wydzielanego ciepła.
Pzdr.
Ps. Osobiście "popełniłem" coś podobnego. Zasilacz do radiostacji KF 13.8V ok 20A na bazie jakiegoś ATXa z dolnej półki na 2005. Jednak tam wystarczyło oszukać OVP i zmienić duodiodę wyjściową na Schotky 200V. Choć to ostatnie chyba na zapas, bo pomiarów oscyloskopem nie robiłem.
|
|
| Back to top |
|
|
ukixx
Level 21

Location: Parczew
Last Visited: 13 Jun 2023
|
#24
07 Aug 2016 15:51
Topic author
Re: Zasilacz warsztatowy 0-30V 0-7A z zasilacza ATX
|
|
|
|
| jack63 wrote: |
1. Czy oglądałeś przebiegi napięć i prądów w ważnych punktach układu? Mógłbyś opisać "wrażenia" ?
|
Kiedyś w jednym zasilaczu oglądałem przebieg prądu na uzwojeniu pierwotnym pod różnymi obciążeniami i wyglądał bardzo ładnie, w tym zasilaczu nie miałem kiedy się za to zabrać ale jak będę robił kolejny egzemplarz to postaram się wrzucić przebiegi.
| jack63 wrote: |
2. Jak zachowuje się zasilacz przy szybkim ostrym zwarciu? Chodzi o prądy chwilowe tranzystorów mocy. Czy dławik wyjściowy "wystarcza"? Czy nie przydałoby się ograniczenie dla każdego cyklu opisane w opracowaniach dla TL494 ?
|
Zasilacz przy zwarciu wyjścia przechodzi w tryb regulacji prądu, nie ma znaczenia czy zwarcie występuje dla małego napięcia czy maksymalnego. Próbę robiłem przy stanie jałowym, nie posiadam takiego oscyloskopu żeby uchwycić moment początku zwarcia, natomiast prąd tranzystorów ograniczony jest przekładnią transformatora, która wynosi 4 i wygładzany jest na dławiku. Chwilowy prąd uzwojenia pierwotnego nie powinien przekroczyć 2A, szpilka prądowa gasika zależy od rezystora więc dla 100Ω będzie 1.6A, dla 47Ω 3.4A, także chwilowy maksymalny prąd tranzystorów mocy nie powinien przekroczyć 4-6A.
Jeżeli masz na myśli natychmiastowe wyłączenie tranzystorów podczas trwania cyklu to kiedyś robiłem z tym próby, źle się to skończyło. Po takim wyłączeniu w następnym cyklu załączany jest ten sam tranzystor, a nie drugi i przetwornica przestaje pracować stabilnie. Można by spróbować zastosować takie rozwiązanie ale trzeba by dołożyć układ opóźniający restart przetwornicy na conajmniej 2-3s.
| jack63 wrote: |
3. Jak ma się sprawa z ew. przepięciami i ich wpływem na diody wyjściowe. Szczególnie dla wersji 24V.
|
Próbowałem złapać ew. przepięcia za pomocą diody schottky i kondensatora foliowego ale nie udało się ani dla napięć bliskich 0 ani dla wyższych aż po maksymalne nawet pomimo tego, że na wyjściu dałem po dwa szeregowo połączone elektrolity na 16V (1500µF+1200µF).
| jack63 wrote: |
4. Czy myślałeś o zmianie diod na Schotky dla mniejszych napięc wy. Mniejsze napięcia przewodzenia a przez to mniej wydzielanego ciepła.
|
Zamiast F16C20C można dać MBR20100 lub MBR20200, jednak MBR20100 po modyfikacji transformatora będzie dosłownie "na styk", dając schottky zaoszczędzi się raptem 5-10W przy maksymalnym prądzie, a diodę F16C20C wykorzystałem tą co była w zasilaczu. Schottky mam zamiar wykorzystać w innym projekcie.
| jack63 wrote: | | Ps. Osobiście "popełniłem" coś podobnego. Zasilacz do radiostacji KF 13.8V ok 20A na bazie jakiegoś ATXa z dolnej półki na 2005. Jednak tam wystarczyło oszukać OVP i zmienić duodiodę wyjściową na Schotky 200V. Choć to ostatnie chyba na zapas, bo pomiarów oscyloskopem nie robiłem. |
Z zasilacza z transformatorem na rdzeniu ERL35 wyciągałem 30A przy podkręceniu do 14.6V, ale wtedy przerobiłem go z center-tap na mostek Graetza, jednak to było kilka lat temu i teraz mam ciekawszy pomysł, zastosować układ o nazwie current doubler.
|
|
| Back to top |
|
|
jack63
Level 43chłodnictwo i klimatyzacja, automatyka hvac & bms
Location: Kraków
Last Visited: 28 Sep 2023
|
#25
07 Aug 2016 18:22
Re: Zasilacz warsztatowy 0-30V 0-7A z zasilacza ATX
|
|
|
|
| ukixx wrote: | | Zasilacz przy zwarciu wyjścia przechodzi w tryb regulacji prądu, nie ma znaczenia czy zwarcie występuje dla małego napięcia czy maksymalnego. Próbę robiłem przy stanie jałowym, nie posiadam takiego oscyloskopu żeby uchwycić moment początku zwarcia, natomiast prąd tranzystorów ograniczony jest przekładnią transformatora, która wynosi 4 i wygładzany jest na dławiku. Chwilowy prąd uzwojenia pierwotnego nie powinien przekroczyć 2A, szpilka prądowa gasika zależy od rezystora więc dla 100Ω będzie 1.6A, dla 47Ω 3.4A, także chwilowy maksymalny prąd tranzystorów mocy nie powinien przekroczyć 4-6A. |
Prąd przewodzącego tranzystora nie jest ograniczany palrzekładnią transformatora! Jest ograniczany impedancją pętli zwarcia i tylko dzielony przez przekładnię. Główną rolę ograniczającą prąd stanowi indukcyjność dławika.
W kwestii ograniczenia prądu tzw. pulse to pulse chodziło mi ometodę opisaną w www.ti.com/general/docs/lit/getliterature.tsp?baseLiteratureNumber=slva001&fileType=pdf
Strona 19.
Pytałem z czystej ciekawości czy przypadkiem nie zastosowałeś i przetestowałeś opisanego tam rozwiązania.
Oczywiście komplikuje ono układ i podnosi jego cenę, która ma wtym projekcie największe znaczenie.
|
|
| Back to top |
|
|
Piotr160292
Level 38
|
#26
07 Aug 2016 18:31
Re: Zasilacz warsztatowy 0-30V 0-7A z zasilacza ATX
|
|
|
|
| ukixx wrote: | Jakimi zakłóceniami Skąd miały by niby się brać Kontroler to jest sterownik, którego zadaniem jest trzymanie parametrów napięcia wyjściowego i nie ma żadnego znaczenia jaki jest jego model. Kontroler SG6105 to nic innego jak TL494 bez jednego komparatora PWM z dodatkowym LM339 i kilkoma rezystorami wewnątrz (czyli praktycznie wszystkimi elementami zasilacza znajdującymi się wokół TL494) oraz dwoma "zenerkami" TL431, pozostałe (2003, 2005) to wybrakowane wersje SG6105. Reszta zasilacza to dokładnie to samo (wyjątek stanowią zasilacze w topologii forward z kontrolerami UC3842, UC3843, UC3844). |
Mimo wszystko i tak jestem zdania, że nie jest to za dobry pomysł na pająka podłączać kontroler...
|
|
| Back to top |
|
|
andrzej123456
Level 14
Location: legnica
Last Visited: 27 Sep 2023
|
#27
07 Aug 2016 19:02
Re: Zasilacz warsztatowy 0-30V 0-7A z zasilacza ATX
|
|
|
|
Kolego ukixx proszę o rozwiniecie tezy-"Każdy zasilacz ATX da się bezpiecznie podkręcić do 24V bez ingerencji w trafo główne"
Mając do dyspozycji uzwojenia 5v i 12v to wydajność ich jest zasadniczo różna 30a
i 12a .Więc żeby coś sensownego powstało(jeśli chodzi o wydajność prądową) w wyniku modernizacji pozostaje uzwojenie 5v. Dlatego jest często nawijane skrętką kilku przewodów.Więc o którym napięciu podczas podkręcania zasilacza mówisz?
Co sądzisz o moim pomyśle przetransformowania dodatkowym trafem ferrytowym tylko 5v na inne dowolne napięcie potrzebne.Ilość zwoi byłaby bardzo mała.
Last edited by andrzej123456 on 09 Aug 2016 01:40; edited 1 time in total
|
|
| Back to top |
|
|
ukixx
Level 21

Location: Parczew
Last Visited: 13 Jun 2023
|
#28
07 Aug 2016 20:41
Topic author
Re: Zasilacz warsztatowy 0-30V 0-7A z zasilacza ATX
|
|
|
|
| jack63 wrote: |
Prąd przewodzącego tranzystora nie jest ograniczany palrzekładnią transformatora! Jest ograniczany impedancją pętli zwarcia i tylko dzielony przez przekładnię. Główną rolę ograniczającą prąd stanowi indukcyjność dławika.
|
Właśnie o tym napisałem, tylko w trochę odwrotnej kolejności. Prąd tranzystora to prąd dławika podzielony przez przekładnię, a że prąd dławika to prąd wyjściowy więc reszty już chyba nie muszę wyjaśniać. Dławik ma ok 80µH więc w tym zasilaczu narastanie prądu to ok 0.5A/µs
Napisałem trochę na skróty ale dzięki za prawidłowe wyjaśnienie
Co do "Peak-Current Protection" to jest to o czym pisałem, spójrz na wykresy "Expected Outputs" i "Actual Outputs", po wyłączeniu Q1 i przejściu do następnego cyklu to co miało być na Q2 pojawia się ponownie na Q1.
| andrzej123456 wrote: | | Kolego ukixx proszę o rozwiniecie tezy-"Każdy zasilacz ATX da się bezpiecznie podkręcić do 24V bez ingerencji w trafo główne" |
Napięcie na wyjściu transformatora z linii 12V to 160V/40*7=28V, napięcie wyjściowe to 28V*D, dla 12V D=0.43, dla 24V D=0.86, D to współczynnik wypełnienia PWM. Zmieniając napięcie odniesienia lub napięcie z dzielnika zmieniasz D.
|
|
| Back to top |
|
|
jack63
Level 43chłodnictwo i klimatyzacja, automatyka hvac & bms
Location: Kraków
Last Visited: 28 Sep 2023
|
#29
07 Aug 2016 22:09
Re: Zasilacz warsztatowy 0-30V 0-7A z zasilacza ATX
|
|
|
|
| ukixx wrote: | | Co do "Peak-Current Protection" to jest to o czym pisałem, |
Pisałeś, bo nie doczytałeś do końca.
Dalej jest schemat i opis co ten dodatkowy układ robi.
Jeżeli jednak qnie masz problemów z pracą przy zwarciu, to nie ma sprawy.
Pewnie rezustancja obwodu wtórnego trafa z przewodami włącznie + pojemności wyjściowe ratują sprawę. Choć nie wiadomo co by było gdyby na grubych kablach podłączyć rozładowany aku?
W moim, jednostkowym, przypadku podłączenie aku powodowało zadziałanie OPP.
Jakby się chciało wyżyłować pobór prądu, to powyższe zabezpieczenie (pulse to pulse), jest konieczne. Z resztą nowsze układy je mają wbudowane.
|
|
| Back to top |
|
|
andrzej123456
Level 14
Location: legnica
Last Visited: 27 Sep 2023
|
#30
08 Aug 2016 02:45
Re: Zasilacz warsztatowy 0-30V 0-7A z zasilacza ATX
|
|
|
|
K. ukixx rozumie że napięcie podniesiesz przez ingerencję w układ elektroniki tylko przypominam że prąd pobierany z trafa jest ograniczony średnicą drutu nawojowego.
Zasilacze komputerowe gałąź 12v mają o małej wydajności prądowej więc jak skorzystasz z całkowitej mocy zasilacza która w rzeczywistości jest skoncentrowana na gałęzi 5v na którym uzwojenia są grube?Miałem chwile czasu i zrobiłem foty trafa z zasilacza atx 500w i tabelę napięć. Jak widać ze zdjęć uzwojenia różnią się zasadniczo średnicą drutu i ilością sztuk w uzwojeniu.W swojej wypowiedzi podążam za wykorzystaniem max mocy z zasilacza przy prądach ok 20a 24v. taki zasilacz zupełnie wystarczył by do napędu elektronarzędzi tupu aku z uszkodzonymi bateriami.
Czy widzisz jakąś szansę realizacji projektu tego typu co opisałem wyżej bez ingerencji w trafo główne?
Attachments:
|
|
| Back to top |
|
|
|
|
|