|
Импульсные блоки питания постепенно вытесняют
своих традиционных сородичей и в звукотехнике, поскольку и
экономически и габаритно выглядят заметно привлекательней.
Тот же фактор, что импульсные блоки питания вносят свою не
малую лепку искажения усилителя, а именно появления дополнительных
призвуковуже теряет свою актуальность в основном по двух причинам
- современная элементная база позволяет конструировать преобразователи
с частотой преобразования значительно выше 40 кГц, следовательно
вносимые источником питания модуляции питания будут находиться
уже в ультразвуке. Кроме этого более высокую частоту по питанию
гораздо легче отфильтровать и использование двух Г-образных
LC фильтров по цепям питания уже достаточно сглаживают пульсации
на этих частотах.
Конечно же есть и ложка дегтя в этой бочке меда
- разница в цене между типовым источником питания для усилителя
мощности и импульсным становиться более заметной при увеличении
мощности этого блока, т.е. чем мощней блок питания, тем больше
он выгодней по отношению к своему типовому аналогу.
И это еще не все. Используя импульсные источники
питания необходимо придерживаться правил монтажа высокочастотных
устройств, а именно использование дополнительных экранов,
подачи на теплоотводы силовой части общего провода, а так
же правильной разводке земли и подключения экранирующих оплеток
и проводников.
Несколько рекомендаций по борьбе с наводками
и помехами можно почитать
здесь.
После небольшого лирического отступления об
особеностях импульсных блоков питания для усилителей мощности
собсвенно принципиальная схема источника питания на 400Вт:

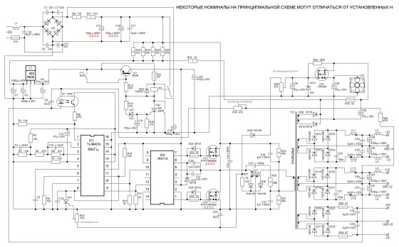
Рисунок 1. Принципиальная схема импульсного блока питания
для усилителей мощности до 400 Вт
УВЕЛИЧИТЬ
Управляющим контроллером в данном блоке питания
служит TL494. Разумеется, что есть и более современные микросхемы
для выполнения этой задачи, однако мы используем именно этот
контроллер по двум причинам - его ОЧЕНЬ легко приобрести.
В изготавливаемых блоках питания мы использем микросхемы фирмы
Texas Instruments и качеством этих
контроллеров ОЧЕНЬ довольны. Усилитель ошибки охвачен ООС,
позволяющей добиться довольно большого коф. стабилизации (отношение
резисторов R4 и R6). Более подробно о контроллере TL 494 можно
почитать тут
и тут.
После контроллера стоит полумостовой драйвер
IR2110, который собственно и управляет затворами силовых транзисторов.
Исполльзование драйвера позволило отказаться от согласующего
трансформатора, широко используемого в комьютерных блоках
питания. Драйвер IR2110 нагружен на затворы через ускоряющие
закрытие полевиков цепочки R24-VD4 и R25-VD5.
Силовые ключи VT2 и VT3 работают на первичную
обмотки силового трансформатора. Средняя точка, необходимая
для получения переменного напряжения в первичной обмотке трансформатора
формируется элементами R30-C26 и R31-C27.
Моточные данные данные для сетевых импульсных
источников питания на ферритовых кольцах проницаемостью 2000НМ
сведены в таблицу 1.
|
МОТОЧНЫЕ ДАННЫЕ
ДЛЯ ИМПУЛЬСНЫХ ТРАНСФОРМАТОРОВ
РАСЧИТАНЫ ПО
МЕТОДИКЕ ЭНОРАСЯНА
Как показали многочисленные эксперименты
количество витков можно смело уменьшать на 10-15 % без
боязни входа сердечника в насыщение.
|
|
Реали- зация
|
Типоразмер
|
|
Частота преобразования, кГц
|
|
|
40
|
50
|
60
|
70
|
80
|
90
|
100
|
110
|
|
|
1 кольцо К40х25х11
|
К40х25х11
|
Габ. мощность
|
100
|
130
|
160
|
175
|
200
|
220
|
250
|
270
|
|
Витков на первичку
|
180
|
145
|
120
|
105
|
90
|
80
|
72
|
65
|
|
|
2 кольца К40х25х11
|
К40х25х22
|
Габ. мощность
|
200
|
230
|
280
|
330
|
370
|
420
|
470
|
520
|
|
Витков на первичку
|
90
|
72
|
60
|
52
|
45
|
40
|
36
|
33
|
|
|
1 кольцо К45х28х8
|
К40х25х8
|
Габ. мощность
|
110
|
135
|
150
|
180
|
200
|
230
|
240
|
270
|
|
Витков на первичку
|
217
|
174
|
145
|
124
|
110
|
97
|
87
|
79
|
|
|
2 кольца К45х28х8
|
К45х28х16
|
Габ. мощность
|
200
|
240
|
290
|
340
|
390
|
440
|
480
|
530
|
|
Витков на первичку
|
109
|
87
|
73
|
62
|
55
|
49
|
44
|
40
|
|
|
3 кольца К45х28х81
|
К45х28х24
|
Габ. мощность
|
290
|
360
|
440
|
510
|
580
|
660
|
730
|
800
|
|
Витков на первичку
|
82
|
66
|
55
|
47
|
41
|
36
|
33
|
30
|
|
|
4 кольца К45х28х8
|
К45х28х32
|
Габ. мощность
|
380
|
490
|
580
|
680
|
780
|
870
|
970
|
1070
|
|
Витков на первичку
|
62
|
50
|
41
|
35
|
31
|
28
|
25
|
23
|
|
|
5 колец К45х28х8
|
К45х28х40
|
Габ. мощность
|
500
|
600
|
700
|
850
|
950
|
1100
|
1200
|
1300
|
|
Витков на первичку
|
50
|
40
|
35
|
30
|
25
|
22
|
20
|
18
|
|
|
6 колец К45х28х8
|
К45х28х48
|
Габ. мощность
|
550
|
700
|
850
|
1000
|
1150
|
1300
|
1450
|
1600
|
|
Витков на первичку
|
41
|
33
|
28
|
24
|
21
|
19
|
17
|
15
|
|
|
7 колец К45х28х8
|
К45х28х56
|
Габ. мощность
|
650
|
850
|
1000
|
1150
|
1350
|
1500
|
1700
|
1850
|
|
Витков на первичку
|
35
|
30
|
24
|
20
|
18
|
16
|
14
|
13
|
|
|
8 колец К45х28х8
|
К45х28х64
|
Габ. мощность
|
750
|
950
|
1150
|
1350
|
1550
|
1750
|
1950
|
2150
|
|
Витков на первичку
|
31
|
25
|
21
|
18
|
16
|
14
|
13
|
12
|
|
|
9 колец К45х28х8
|
К45х28х72
|
Габ. мощность
|
850
|
1000
|
1300
|
1500
|
1750
|
1950
|
2200
|
2400
|
|
Витков на первичку
|
28
|
22
|
18
|
16
|
14
|
13
|
11
|
10
|
|
|
10 колец К45х28х81
|
К45х28х80
|
Габ. мощность
|
970
|
1200
|
1450
|
1700
|
1950
|
2200
|
2400
|
2650
|
|
Витков на первичку
|
25
|
20
|
17
|
14
|
12
|
11
|
10
|
9
|
|
Последовательно с первичной обмоткой силового
трансформатора включен трансформатор тока TV1, позволяющий
контролировать протекающий через силовые ключи ток и строить
на этом токовую защиту. Кроме этого используя выходное напряжение
с трансформатора тока можно управлять оборотами вентилятора
принудительного охлаждения (VT4).
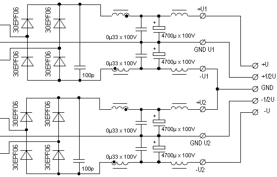
Вторичное питание состоит из трех двуполярных
источников - два силовых для питания одного усилителя с двухуровневым
питанием или двух усилителей с двуполярным питанием. Причем
во втором случае величины выходных напряжений могут отличаться
- более низкое для широкополосных, а более высокое для сабвуфера
или же одинаковыми для раздельного питания каждого канала.
Третье двуполярное напряжение используется для питания предварительных
каскадов.
Кроме этого имеется дополнительный однополярный
источник напряжения используемый для питания контроллера TL494,
полумостового драйвера IR2110 и реле мягкого старта.
Выходное напряжение блока питания контролируется
лишь по одному плечу двуполярного источника. Стаблизация остальных
силовых напряжений производится при помощи дросселя групповой
стабилизации L1.
Если необходимо получить лишь один двуполярный
силовой источник, то принципиальную схему можно упростить
исключив не нужные элементы
Для примера приведена принципиальная схема сетевого
импульсного источника питания для УМЗЧ мощностью до 2000 Вт
с двумя и одним двуполярным источниками напряжения.

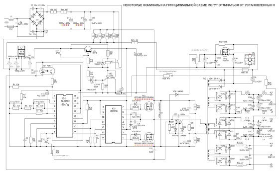
Рисунок 2. Принципиальная схема импульсного блока питания
с двумя двуполярными источниками и суммарной выходной мощностью
до 2000 Вт
УВЕЛИЧИТЬ

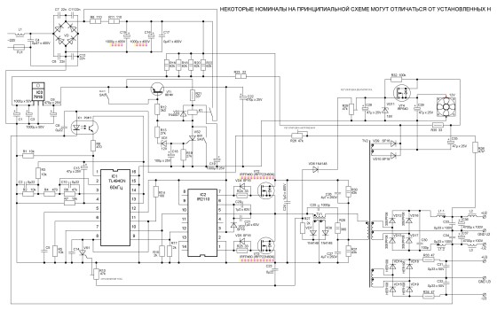
Рисунок 3. Принципиальная схема импульсного блока питания
с одним двуполярным источником и суммарной выходной мощностью
до 2000 Вт
УВЕЛИЧИТЬ
Как видно из схем приведенные схемы импульсных
блоков питания отличаются лишь емкостями фильтров первичного
питания и используемыми силовыми транзисторами. Емкость фильтров
первичного питания расчитывается из отношения 1 мкФ на 1 Вт
выходной мощности, а силовые транзисторя должны иметь максимальный
ток минимум на 30% больше чем ток протекающий через первичную
обмотку силового трансформатора при максимальной мощности.
Для большей наглядности емкости фильтров первичного питания
и рекомендуемые силовые транзисторы сведены в таблицу.
| Суммарная мощность блока питания |
Суммарная емкость конденсаторов первичного
питания
|
Рекомендуемые силовые транзисторы
|
| 400 Вт |
400 мкФ (2 шт по 220 мкФ)
|
IRF840, IRF740, STP8NK80Z,
STP10NK60Z
|
| 600 Вт |
600 мкФ (2 шт по 330 мкФ)
|
IRF740, STP14NK60Z,
STP10NK60Z, IRFB18N50K
|
| 1000 Вт |
1000 мкФ (2 шт по 470 мкФ)
|
IRF740, STP14NK60Z,
STP10NK60Z, IRFB18N50K
|
| 1500 Вт |
1300 мкФ (2 шт по 680 мкФ)
|
STP14NK60Z, STP25NM50N,
SPA20N60C3, STP17NK40ZPFP,
IRFP450, IRFP460
|
| 2000 Вт |
2000 мкФ (2 шт по 1000 мкФ)
|
STP25NM50N, SPA20N60C3,
IRFP360, IRFP460, IRFP22N60K, SPW20N60C3
|
| КРАСНЫЕ
- корпус ТО-220, СИНИЕ - корпус
ТО-247 |
Несколько слов об алгоритме работы данного
блока питания:
В момент подачи сетевого напряжения 220 В емкости
фильтров первичного питания С15 и С16 заражаются через резисторы
R8 и R11, что не позволяет перегрузиться диолному мосту VD
током короткого замыканияполностью разряженных С15 и С16.
Одновременно происходит зарядка конденсаторов С1, С3, С6,
С19 через линейку резисторов R16, R18, R20 и R22, стабилизатор
7815 и резистор R21.
Как только величена напряжения на конденсаторе
С6 достигнет 12 В стабилитрон VD1 "пробивается"
и через него начинает течть ток заряжая конденсатор C18 и
как только на плюсовом выводе этого конденсатора будет достигнута
величина достаточная для открытия тиристора VS2 он откроется.
Это повлечет включение реле К1, которое своими кнтактами зашунтирует
токоограничивающие резисторы R8 и R11.Кроме этого открывшийся
тиристор VS2 откроет транзистор VT1 и на контроллер TL494
и полумостовой драйвер IR2110. Контроллер начнет режим мягкого
старта, длительность которого зависит от номиналов R7 и C13.
Во время мягкого старта длительность импульсов,
открывающих силовые транзисторы увеличиваются постепенно,
тем самым постепенно заряжая конденсаторы вторичного питания
и ограничивая ток через выпрямительные диоды. Длительность
увеличивается до тех пор, пока величина вторичного питания
не станет достаточной для открытия светодиода оптрона IC1.
Как только яркость светодиода оптрона станет достаточной для
открытия транзистора длительность импульсов перестанет увеличиваться
(рисунок4).

Рисунок 4. Режим мягкого старта.
Тут следует отметить, что длительность мягкого
старта ограничена, поскольку проходящего через резисторы R16,
R18, R20, R22 тока не достаточно для питания контроллера TL494
и драйвера IR2110 напряжение питания этих микросхем начнет
уменьшаться и вскоре уменьшиться до величины, при которой
TL494 перестанет вырабатывать импульсы управления. И именно
до этого момента режим мягкого старта должен быть окончен
и преобразователь должен выйти на нормальный режим работы,
поскольку основное питание контроллер TL494 и дрейвер IR2110
получают от силового трансформатора (VD9, VD10 - выпрямитель
со средней точкой, R23-C1-C3 - RC фильтр, IC3 - стабилизатор
на 15 В) и именно поэтому конденсаторы C1, C3, C6, C19 имеют
такие большие номиналы - они должны удерживать величнину питания
контроллера до выхода его на обычный режим работы.
Стабилизация выходного напряжения происходит
путем изменения длительности импульсов управления силовыми
транзисторами при неизменной частоте - Широтно
Импульсная Модуляция
- ШИМ. Это возможно лишь при условии,
когда величина вторичного напряжения силового трансформатора
выше требуемой на выходе стабилизатора минимум на 30%, но
не более 60%.

Рисунок 5. Принцип работы ШИМ стабилизатора.
При увеличении нагрузки выходное напряжение
начинает уменьшаться, светодиод оптрона ШС1 начинает светиться
меньше, транзисторы оптрона закрывается, тем самым увеличивая
длительность импульсов управления до тех пор, пока действующее
напряжение не достигнет величины стабилизации (рисунок 5).
При уменьшении нагрузки напряжение начнет увеличиваться, светодиод
оптрона IC1 начнет светиться ярче, тем самым открывая транзистор
и уменьшая длительность управляющих импульсов дотех пор, пока
величина действующего значения выходного напряжения не уменьшиться
до стабилизируемой величины. Величину стабилизируемого напряжения
регулируют подстроечным резистором R26.
Следует отметить, что контроллером TL494 регулируется
не длительность каждого импулься в зависимости от выходного
напряжения, а лишь среднее значение, т.е. измерительная часть
имеет некотрую инерционость. Однако даже при установленных
конденсаторах во вторичном питании емкостью 2200 мкФ провалы
питания при пиковых кратковременных нагрузках не превышают
5 %, что вполне приемлемо для аппаратуры HI-FI класса. Мы
же обычно ставим конденсаторы во вторичном питании 4700 мкФ,
что дает уверенный запас на пиковые значения, а использование
дросселя групповой стабилизации позволяет контролировать все
4 выходных силовых напряжения.
Данный импульсный блок питания оснащен защитой
от перегрузки, измерительным элементом которой служит трансформатор
тока TV1. Как только ток достигнет критической величины открывается
тиристор VS1 и зашунитрует питание оконечного каскада контроллера.
Импульсы управления исчезают и блок питания переходит в дежурный
режим, в котором может находиться довольно долго, поскольку
тиристор VS2 продолжает оставаться открытым - тока протекающего
через резисторы R16, R18, R20 и R22 хватает для удержание
его в открытом состоянии.
Для вывода блока питания из дежурного режима
необходимо нажать кнопку SA3, которая своим контактами зашунтирует
тиристор VS2, ток через него перестанет течь и он закроется.
Как только контакты SA3 разомкнуться транзистор VT1 закроется
тме самы снимая питания с контроллера и драйвера. Таким образом
схема управления перейдет в режим минимального потребления
- тиристор VS2 закрыт, следовательно реле К1 выключено, транзистор
VT1 закрыт, следовательно контроллер и драйвер обесточены.
Конденсаторы С1, С3, С6 и С19 начинают заряжаться и как только
напряжение достигнет 12 В откроется тиристор VS2 и произойдет
запуск импульсного блока питания.
При необходимости перевести блок питания в дежурный
режим можно воспользоваться кнопкой SA2, при нажатии на которую
будут соеденены база и эмиттер транзистора VT1. Транзистор
закроется и обесточит контроллер и драйвер. Импульсы управления
исчезнут, исчезнут и вторичные напряжения. Однако питание
не будет снято с реле К1 и повторного запука преобразователя
не произойдет.
Расположение деталей на печатной плате показано
на рисунке 6. Сразу следует оговориться - этот импульсный
блок питания не для начинающих, поэтому некоторые номиналы
на чертеже не проставлены, чтобы более опытные смогли разобраться,
а начинающих это должно остановить.

Рисунок 6. Расположение деталей на плате сетевого импульсного
блока питания для усилителей мощности до 1000 Вт.
УВЕЛИЧИТЬ
СКАЧАТЬ
В ФОРМАТЕ LAY
Немного крупнее и мощнее печатная плата показанная
на рисунке 7. На ней установлены диоды вторичного питания
в корпусе ТО-247, а в этом корпусе есть диоды с током до 80
А и 1200 В, а так же более крупный силовой трансформатор.

Рисунок 7. Расположение деталей на плате сетевого импульсного
блока питания для усилителей мощности до 1000 Вт.
УВЕЛИЧИТЬ
СКАЧАТЬ
В ФОРМАТЕ LAY
Немного о деталях:
Силовой трансформатор мы изготавливаем на сердечниках
от строчных трансформаторов телевизоров. Однако схожие параметры
можно получить и на феритовых кольцах, правда частоту преобразования
не стоит поднимать выше 70 кГц, поскольку даже уже на этой
частоте феррит 2000 начинает греться из за внутренних потерь.
В качестве дросселя групповой стабилизации мы используем сердечник
от ТПИ. Обмотки распологаются встречно, как показанно на принципиальной
схеме. Сечение проводников расчитывается из отношения 3-4
А на мм кв. Обмотки наматываются до заполнения окна. В случае
использвания в качестве сердечника для дросселя групповой
стабилизации ферритового кольца лучше использовать кольцо
К40х25х11. Обмотки мотаются до уменьшения отверстия внутри
до 14...16 мм. В качестве дополнительных фильтрующих индуктивностей
мы используем сердечники от фильтров сетевого питания телевизоров,
но эти фильтры можно намотать и на кольцах диаметром 20...25
мм. Обмотка мотается до заполнения, тем же проводом, что и
дроссель групповой стабилизации.
При необходимости получить блок питания для
усилителя с двухуровневым питанием выходные напряжения блока
питания следует соеденить по схеме рисунка 8.

Рисунок 8. Схема соединений выходных напряжений для усилителя
с двухуровневым питанием.
НЕКОТОРЫЕ ОСОБЕНОСТИ
ДАННЫХ БЛОКОВ ПИТАНИЯ
Если повнимательней рассмотреть принципиальную
схему данного импульсного блока питания, то станет ясно, что
контролируется лишь напряжение силовой части. Однако с этого
же силового трансформатора производится и питание самой управляющей
части блока. Поэтому без нагрузки в силовой части контролируеммое
напряжение достигнув своей величины сократит длительность
управляющих импульсов вплоть до их полного исчезновения. Это
повлечет обесточивание контроллера TL4949 и драйвера IR2110
и блок питания просто отключится.
Поэтому данный блок питания без нагрузки отрегулировать
довольно проблематично. Для регулировки в качестве нагрузки
следует все силовые напряжения нагрузить резисторами мощностью
2 Вт и сопротивлением 4,7к...6,8к. При выходном напряжении
60...90 В это будет имитировать ток покоя усилителй мощности.
При более низком выходном напряжении сопротивление следует
немного уменьшить.
Почему мощность ограничена
2000 Вт и что можно сделать для увеличения мощности
можно почитать тут.
|